EasyManua.ls Logo

HellermannTyton AT2000 CPK - 11 Technical Data; Dimensions

HellermannTyton AT2000 CPK
32 pages
Print Icon
To Next Page IconTo Next Page
To Next Page IconTo Next Page
To Previous Page IconTo Previous Page
To Previous Page IconTo Previous Page
Loading...
ENDE
Operating Instructions • Overhead Suspension AT2000 CPK • 03/2020 • 106-29021
Technical data
15
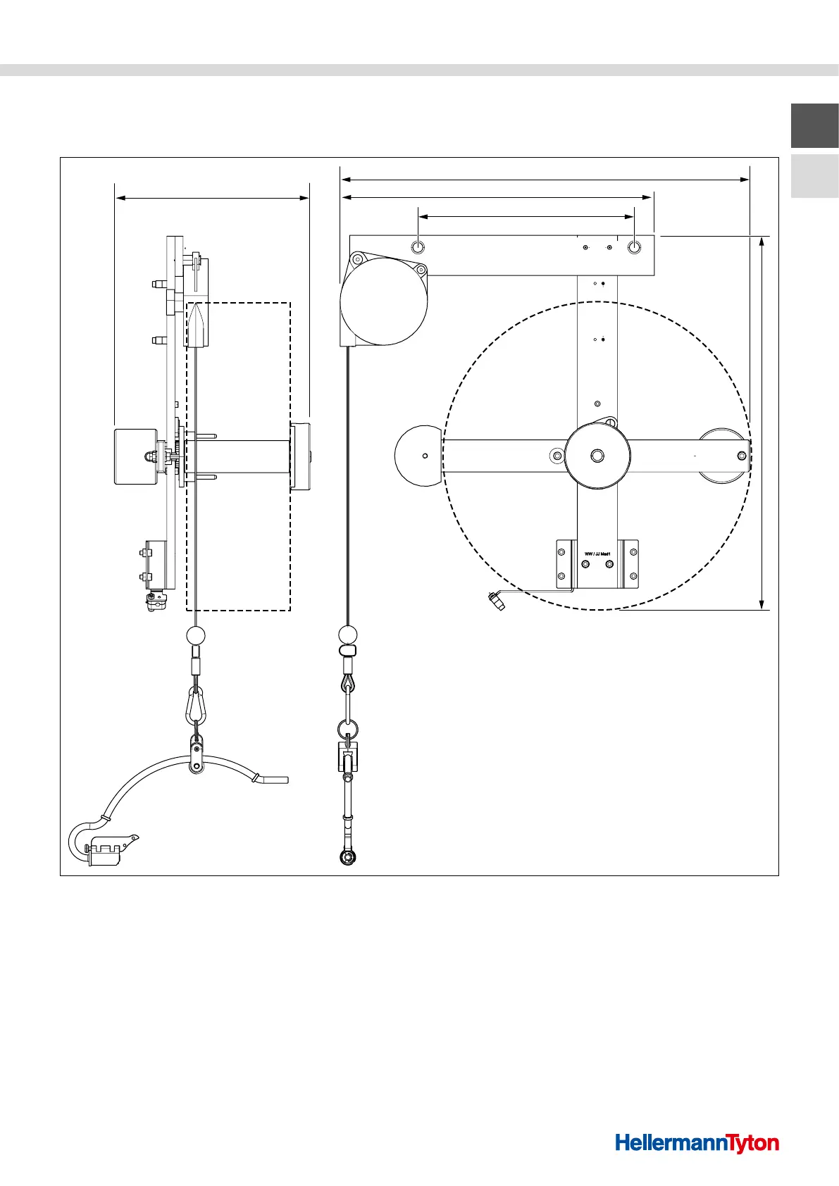
11 Technical data
11.1 Dimensions
392
270
463
512
242
Dimensions (all specifications in mm)

Table of Contents

Other manuals for HellermannTyton AT2000 CPK

Related product manuals