EasyManua.ls Logo

HellermannTyton AT2000 CPK - 11 Technische Daten; Maße

HellermannTyton AT2000 CPK
32 pages
Print Icon
To Next Page IconTo Next Page
To Next Page IconTo Next Page
To Previous Page IconTo Previous Page
To Previous Page IconTo Previous Page
Loading...
ENDE
Betriebsanleitung • Hängevorrichtung AT2000 CPK • 03/2020 • 106-29021
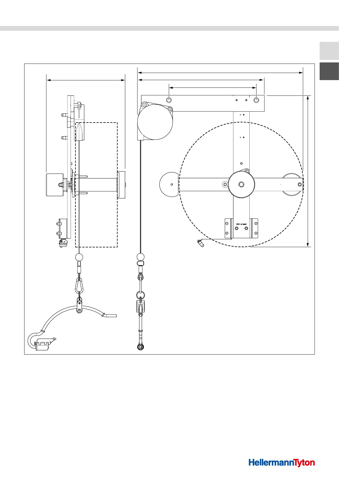
Technische Daten
29
11 Technische Daten
11.1 Maße
392
270
463
512
242
Maße (Alle Angaben in mm)

Table of Contents

Other manuals for HellermannTyton AT2000 CPK

Related product manuals