EasyManua.ls Logo

HER CHEE ATV-90 - Page 50

Default Icon
57 pages
Print Icon
To Next Page IconTo Next Page
To Next Page IconTo Next Page
To Previous Page IconTo Previous Page
To Previous Page IconTo Previous Page
Loading...
10
4
Crank Case / Crank Shaft
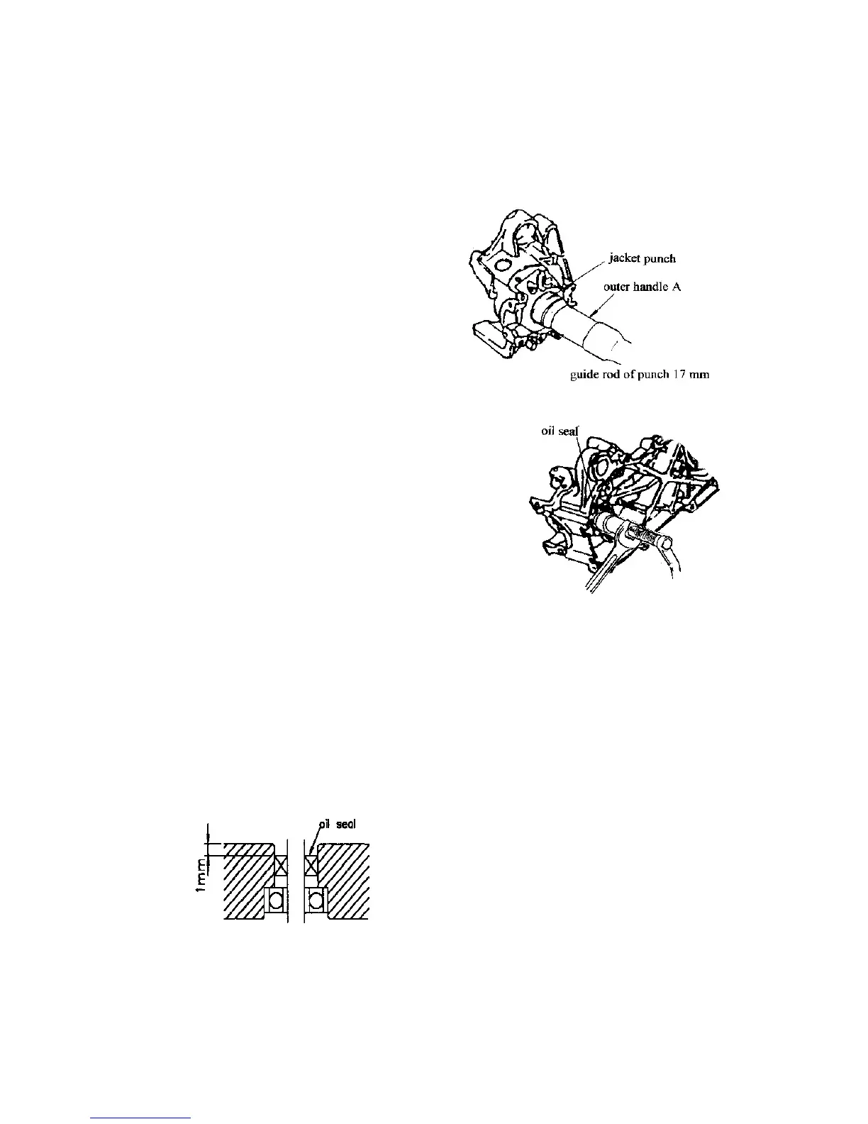
z Put new crank shaft into right
crankcase.
z Put crank shaft assembly into left
crank case.
WARNING:
z Smear the 2-stroke oil to main
bearing and big end of connecting
rod.
z Note the position of connecting rod.
z Put left oil seal into L. crank shaft
case, surface depth under 1.0 mm.

Table of Contents

Related product manuals