EasyManua.ls Logo

Higen FDA7004B - Page 123

Default Icon
214 pages
Print Icon
To Next Page IconTo Next Page
To Next Page IconTo Next Page
To Previous Page IconTo Previous Page
To Previous Page IconTo Previous Page
Loading...
3. Parameter setting
3-44
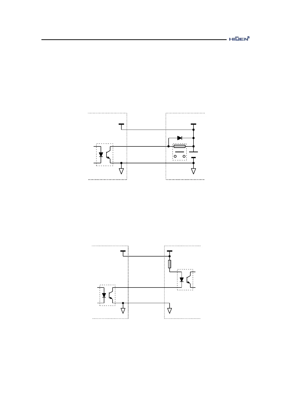
[Wiring method of output contact]
When output contact of FDA7000 series is combined with contact type device such as relay of
external controller, connect as follows.
(CN1_24, 25)
(CN1_23,48,22,47,
21,46,20,45,19,44)
FDA7000
24VGND
+24V
24VGND
+24V
(CN1_49)
Controller
When output contact of FDA7000 series is combined with open collector input like PLC of
external controller, connect as follows.
(CN1_24, 25)
FDA7000
24VGND
+24V
24VGND
+24V
(CN1_49)
Controller
(CN1_23,48,22,47,
21,46,20,45,19,44)

Table of Contents

Other manuals for Higen FDA7004B

Related product manuals