EasyManua.ls Logo

Higen FDA7004B - Connection of AC220 V Series

Default Icon
214 pages
Print Icon
To Next Page IconTo Next Page
To Next Page IconTo Next Page
To Previous Page IconTo Previous Page
To Previous Page IconTo Previous Page
Loading...
2. Wiring and connection
2-3
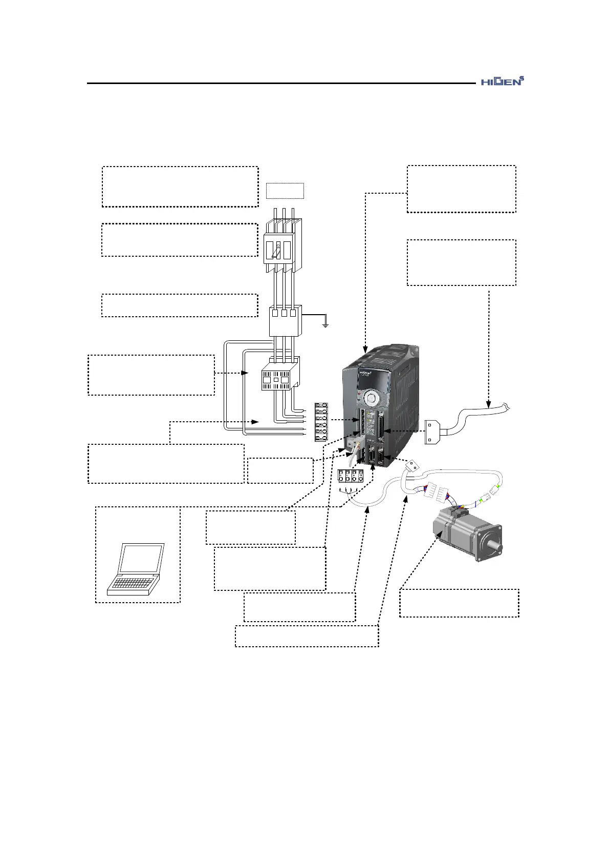
2.1.1. Connection of AC220V Series
RS232/485
It sets various parameters and
displays the operating status.
GND
3-Phase
AC200 ~ 230V
50 ~ 60Hz
R S T
N F B
NOISE FILTER
Power specification : Use the power specification
3-phase within AC200~230V permitted by the servo
for use. For the power voltage of AC400V level,
always use the power transformer.
NFB (No Fuse Circuit Breaker) : It breaks the circuit
when over-current flows and is used for power line
maintenance.
Noise filter : You must use this to blocks the
external noise inflowing in the commercial power.
CN1 : This is the connector to
connect the servo drive to the higer
device. You can connect to the
higher device including PLC, NC,
Motion controller etc.
Wiring : Mis-wiring can damage the servo driver.
The control signal line must be sufficiently away
form the main circuit wiring and it is very important
not to be affected by the noise.
Magnetic contactor : It turns on/off the
servo power. Do not start or stop the
servo with this magnetic contactor. It can
reduce the life of the servo.
Motor power wiring : The U, V, W
and F.G. terminal of the drive and
motor must be aligned.
Motor : Do not apply impact to the
shaft and detector of the motor with a
hammer etc.
Encoder wiring : Connect the connector of the
encoder cable.
Grounding : To prevent electric
shock, the terminal of motor and
drive must be grounded in type 3
or above grounding to the closest
point.
Servo drive : The life of the servo is
affected by the surrounding
temperature. Set the ambient
temperature to below 50
an average of 40.
CN2
CN1
U V W
FG
R
S
T
r
t
Magnetic
Contactor
Internal regenerated
resistor
CN3
DC power : When main
power is DC voltage, supply
DC 280 ~ 325 [V] between
P[+] and N[-].
At the U, V and W terminal, connect the U, V and W phase of the servo motor.
Ground the FG terminal. Connect the grounding wire of the servo motor with this
terminal.
When main supply is DC voltage, supply DC280~325[V] between “P[+]” and “N[-]”.
(FDA7001 ~ FDA7010)
Don’t supply AC power supply between “P[+]and “N[-]”.

Table of Contents

Other manuals for Higen FDA7004B

Related product manuals