EasyManua.ls Logo

HP 54753A - Page 185

HP 54753A
288 pages
Print Icon
To Next Page IconTo Next Page
To Next Page IconTo Next Page
To Previous Page IconTo Previous Page
To Previous Page IconTo Previous Page
Loading...
TDR Fundamentals
Step Reflection Testing
9-11
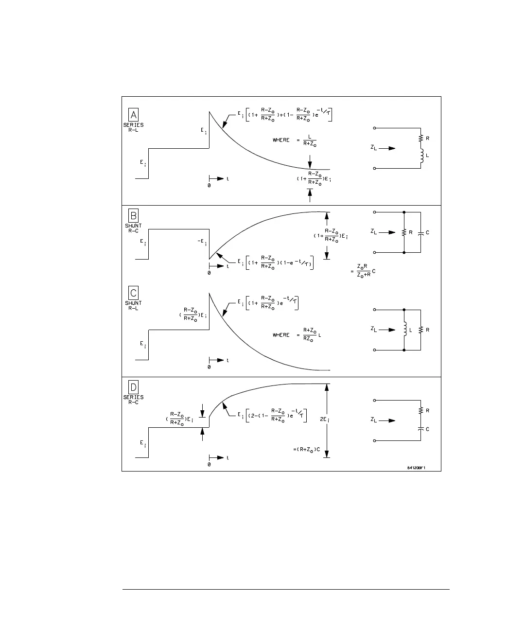
Figure 9-7
Oscilloscope Displays for Complex Z
L
τ
τ
WHERE
τ
τ
WHERE

Table of Contents

Related product manuals