EasyManua.ls Logo

Hydrafeed Multifeed 65 - Pneumatic System Diagram

Hydrafeed Multifeed 65
89 pages
Print Icon
To Next Page IconTo Next Page
To Next Page IconTo Next Page
To Previous Page IconTo Previous Page
To Previous Page IconTo Previous Page
Loading...
30
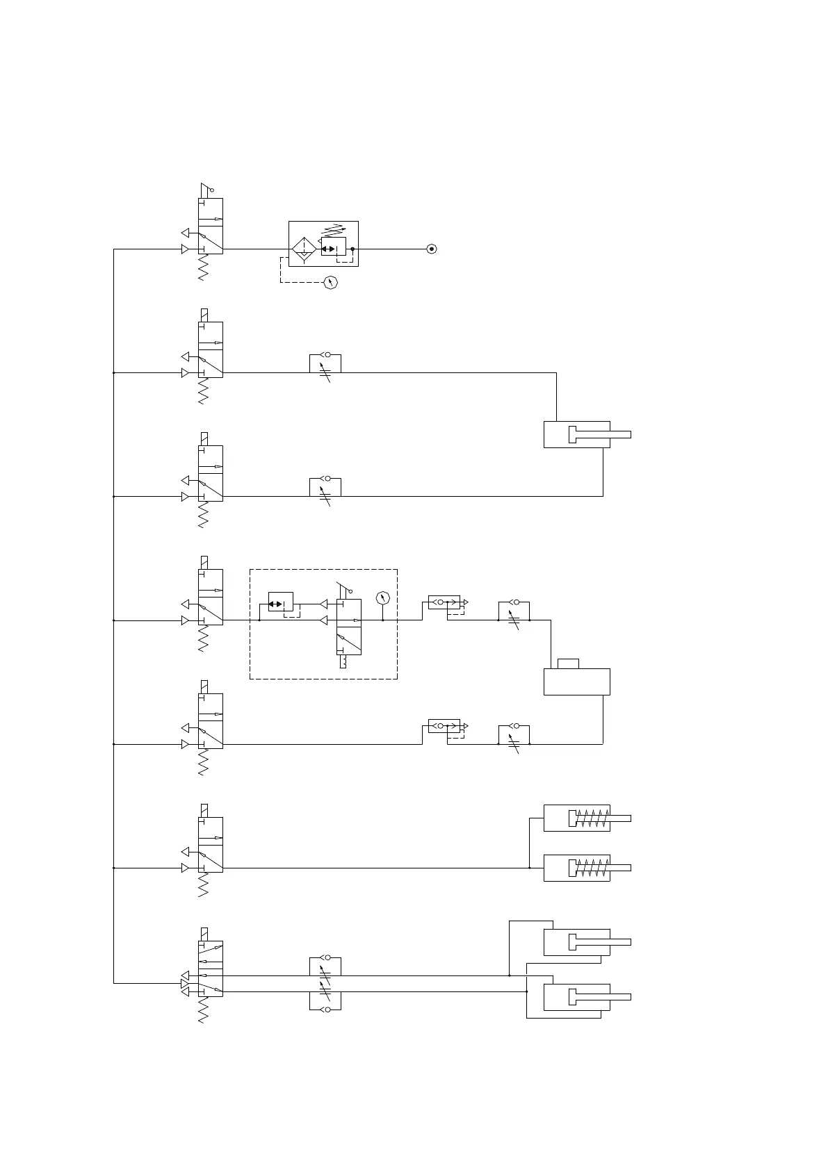
7.5 PNEUMATIC SYSYTEM
Pneumatic control circuit-standard specification
3
1 2
1
3
2
21
3
1
3
2
1
3
2
1
3
2
23
5
1
4
3
1 2
FILTER REGULATOR
MAINS AIR SUPPLY. 50-100 psi
MAINS AIR GAUGE
3/2 VALVE
3/2 VALVE
3/2 VALVE
3/2 VALVE
3/2 VALVE
3/2 VALVE
5/2 VALVE
MATERIAL LOADERS
COVER LOCKS
MAIN PUSHER
CROSS SLIDE
FLOW REGULATOR
FLOW REGULATOR
Optional LOW PRESSURE UNIT
3/2 TOGGLE S/W
PRESSURE REGULATOR
FLOW REGULATOR
DUMP VALVE
FLOW REGULATOR
DUMP VALVE
FLOW REGULATOR
FLOW REGULATOR
DOUBLE ACTING CYLINDER
DOUBLE ACTING CYLINDER
SPRING RETURN CYLINDERS
DOUBLE ACTING CYLINDERS
PRESSURE
SWING ASIDE
INSERT PUSHER
S1. 1N
S2. OUT
S3. FORWARD
S4. RETRACT
S5. LOCK
S6. LOAD
GAUGE

Related product manuals