EasyManua.ls Logo

IAR SYSTEMS I-jet - Page 25

IAR SYSTEMS I-jet
63 pages
Print Icon
To Next Page IconTo Next Page
To Next Page IconTo Next Page
To Previous Page IconTo Previous Page
To Previous Page IconTo Previous Page
Loading...
AFE1_AFE2-1:1
I-jet
25
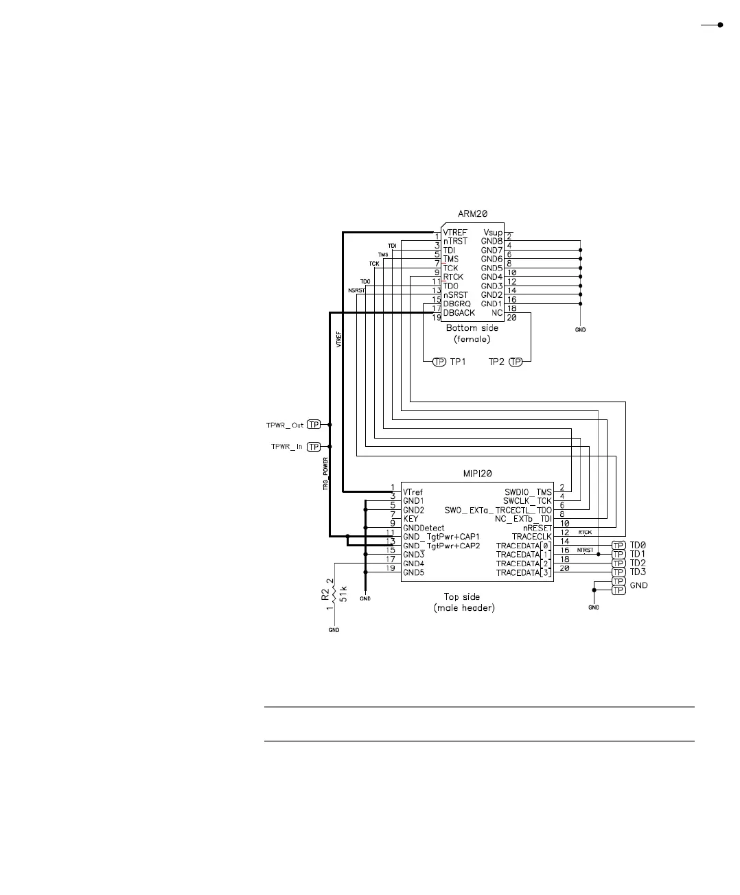
The ADA-MIPI20-ARM20 adapter
The ADA-MIPI20-ARM20 adapter is included with I-jet. It converts the MIPI-20 I-jet
cable to the legacy ARM-20—0.1 in × 0.1 in (2.56 mm x 2.56 mm) pitch—JTAG
headers. This is a diagram of the adapter:
These are the pin definitions of the ADA-MIPI20-ARM20 adapter:
Pin
I-jet
direction
Name Description
nTRST Output Test Logic Reset Test reset. Active LOW signal that resets the TAP
controller's state machine.
Table 9: ADA-MIPI20-ARM20 adapter pin definitions