EasyManua.ls Logo

IDEAL TILT-A WAY HYJG 1 - Page 108

IDEAL TILT-A WAY HYJG 1
131 pages
To Next Page IconTo Next Page
To Next Page IconTo Next Page
To Previous Page IconTo Previous Page
To Previous Page IconTo Previous Page
Loading...
1
1
2
2
3
3
4
4
A A
B B
C C
D D
SHEET 1 OF 1
DRAWN
CHECKED
QA
MFG
APPROVED
T Henry
12/15/2015
3/25/2016
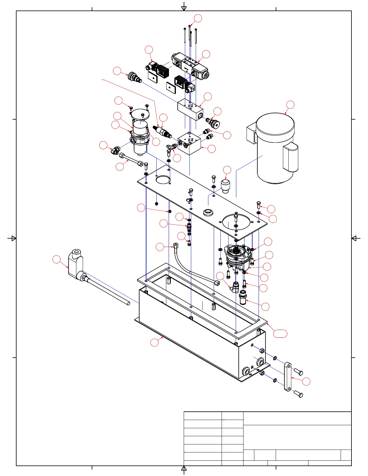
DWG NO
HYJG-256
TITLE
HYJG 1 HYDRAULIC UNIT
SIZE
C
SCALE
Ideal Mfg., Inc.
REV
2011 Harnish Blvd.
Billings MT 59101
Tel. (406) 656-4360
11
8
9
100140
14
25
18
15
27
26
22
2
16
4
5
20
13
30
6
12
28
7
29
12
19
1
10
24
23
23
24
23
3
FACTORY SET AT
385 PSI DO NOT
EXCEED THIS SETTING
15
17
21
102
TILT-A-WAY
HYDRAULIC VERTICAL PIVOT GATE
HYJG 1 HYDRAULIC UNIT

Table of Contents