EasyManua.ls Logo

Immergas VICTRIX Superior TOP 32 E - Boiler Commissioning and Initial Check; Hydraulic Diagram

Immergas VICTRIX Superior TOP 32 E
36 pages
Print Icon
To Next Page IconTo Next Page
To Next Page IconTo Next Page
To Previous Page IconTo Previous Page
To Previous Page IconTo Previous Page
Loading...
25 - IE
INSTALLERUSER
MAINTENANCE TECHNICIAN
Fig. 3-1
3
BOILER COMMISSIONING
INITIAL CHECK
To commission the boiler:
- ensure that the declaration of conformity of
installation is supplied with the appliance;
- ensure that the type of gas used corresponds to
boiler settings;
- check connection to a 230V-50Hz power
mains, correct L-N polarity and the earthing
connection;
- make sure the heating system is lled with
water and that the manometer indicates a
pressure of 1÷1.2 bar;
- switch the boiler on and ensure correct ignition;
- check the ∆p gas values in domestic hot water
and heating modes;
- check the CO
2
in the combustion products at
maximum and minimum ow rate;
- check activation of the safety device in the event
of no gas, as well as the relative activation time;
- check activation of the main switch located
upstream from the boiler and in the boiler;
- check that the intake and/or exhaust terminals
are not blocked;
- ensure activation of all adjustment devices;
- seal the gas ow rate regulation devices (if
settings are modied);
- ensure production of domestic hot water;
- ensure sealing eciency of water circuits;
- check ventilation and/or aeration of the
installation room where provided.
If even only a single safety check oers a negative
result, do not commission the system.
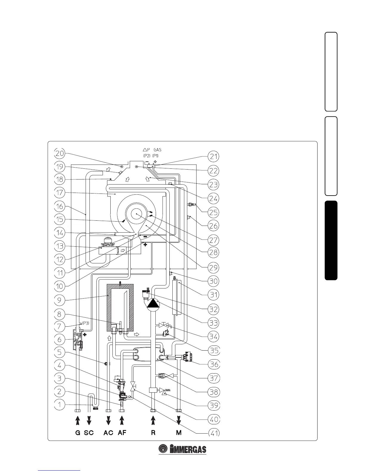
3.1 HYDRAULIC DIAGRAM.
Key:
1 - Condensate drain trap
2 - Water inlet lter*
3 - Domestic hot water ow meter
4 - Domestic hot water ow rate adjuster
5 - Domestic hot water probe
6 - Gas valve
7 - Gas valve outlet pressure point (P3)
8 - Aqua Celeris Resistance
9 - Aqua Celeris
10 - Venturi positive sign (P1)
11 - Venturi negative sign (P2)
12 - Air/gas Venturi manifold
13 - Fan
14 - Gas nozzle
15 - Detection electrode
16 - Air intake pipe
17 - Condensation module
18 - Manual vent valve
19 - Flue probe
20 - Air sample point
21 - Δp gas pressure point
22 - Flue sample point
23 - Flue hood
24 - Heat exchanger safety thermofuse
25 - Flow probe
26 - Safety thermostat
27 - Ignition electrodes
28 - Burner
29 - Condensation module cover
30 - Return probe
31 - System expansion vessel
32 - Air vent valve
33 - Boiler pump
34 - System draining valve
35 - System pressure switch
36 - 3-way valve (motorised)
37 - DHW heat exchanger
38 - Adjustable by-pass
39 - 3 bar safety valve
40 - System lling valve
41 - DHW inlet probe
* = Attention: check the presence and cleanliness
of the water inlet lter, which guarantees
the eciency of the boiler
G - Gas supply
SC - Condensate drain
AC - Domestic hot water outlet
AF - Domestic hot water inlet
R - System return
M - System ow

Table of Contents

Related product manuals