EasyManua.ls Logo

Intel 8XC251SA - Page 149

Intel 8XC251SA
458 pages
Print Icon
To Next Page IconTo Next Page
To Next Page IconTo Next Page
To Previous Page IconTo Previous Page
To Previous Page IconTo Previous Page
Loading...
8-15
TIMER/COUNTERS AND WATCHDOG TIMER
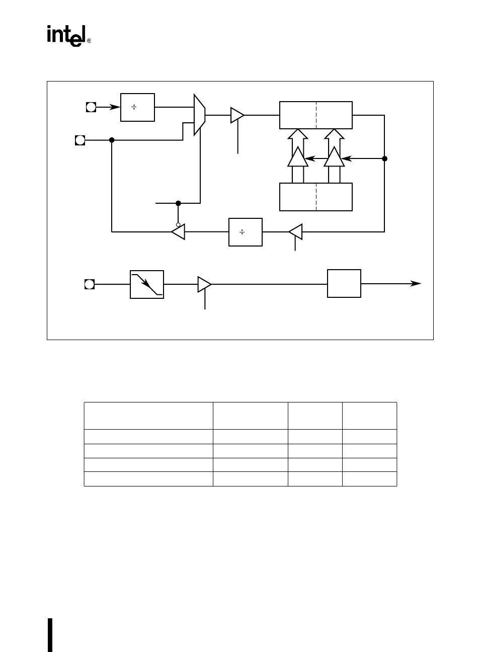
Figure 8-10. Timer 2: Clock Out Mode
.
Table 8-3. Timer 2 Modes of Operation
Mode
RCLK OR TCLK
(in T2CON)
CP/RL2#
(in T2CON)
T2OE
(in T2MOD)
Auto-reload Mode 0 0 0
Capture Mode 0 1 0
Baud Rate Generator Mode 1 X X
Programmable Clock-Out X 0 1
Interrupt
Request
T2EX
2
T2OE
RCAP2H
TR2
RCAP2L
TH2
(8 Bits)
EXEN2
EXF2
TL2
(8 Bits)
2
A4116-02
XTAL1
T2
C/T2#
0
1

Table of Contents

Other manuals for Intel 8XC251SA

Related product manuals