EasyManua.ls Logo

Intel 8XC251SA - Mode 2 (8-Bit Timer with Auto-Reload); Mode 3 (Two 8-Bit Timers); Timer 1

Intel 8XC251SA
458 pages
Print Icon
To Next Page IconTo Next Page
To Next Page IconTo Next Page
To Previous Page IconTo Previous Page
To Previous Page IconTo Previous Page
Loading...
8-5
TIMER/COUNTERS AND WATCHDOG TIMER
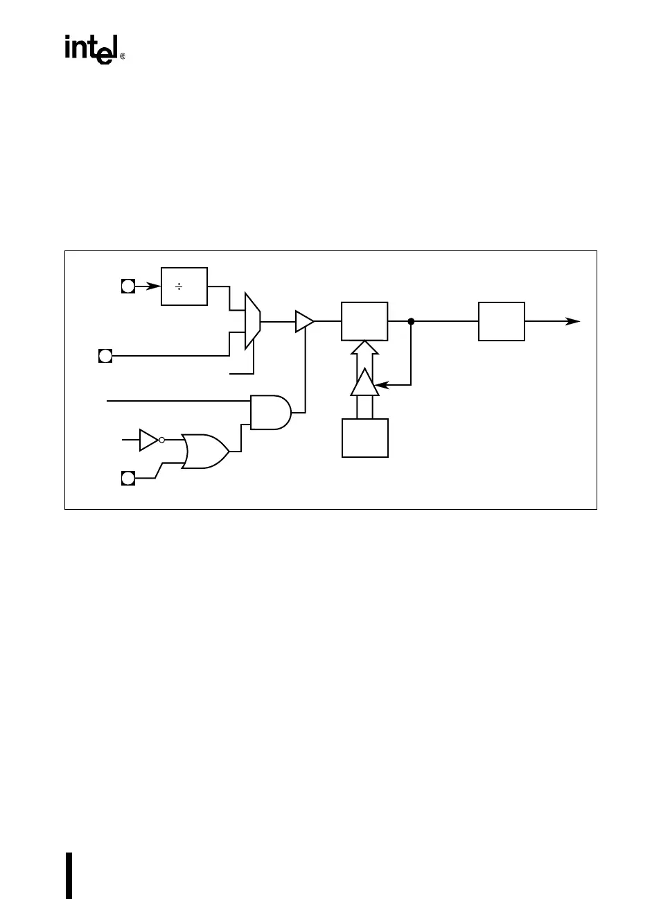
8.3.3 Mode 2 (8-bit Timer With Auto-reload)
Mode 2 configures timer 0 as an 8-bit timer (TL0 register) that automatically reloads from the
TH0 register (Figure 8-3). TL0 overflow sets the timer overflow flag (TF0) in the TCON register
and reloads TL0 with the contents of TH0, which is preset by software. When the interrupt re-
quest is serviced, hardware clears TF0. The reload leaves TH0 unchanged. See section 8.5.1,
“Auto-load Setup Example.”
Figure 8-3. Timer 0/1 in Mode 2, Auto-Reload
8.3.4 Mode 3 (Two 8-bit Timers)
Mode 3 configures timer 0 such that registers TL0 and TH0 operate as separate 8-bit timers (Fig-
ure 8-4). This mode is provided for applications requiring an additional 8-bit timer or counter.
TL0 uses the timer 0 control bits C/T0# and GATE0 in TMOD, and TR0 and TF0 in TCON in the
normal manner. TH0 is locked into a timer function (counting F
OSC
/12) and takes over use of the
timer 1 interrupt (TF1) and run control (TR1) bits. Thus, operation of timer 1 is restricted when
timer 0 is in mode 3. See section 8.4, “Timer 1,” and section 8.4.4, “Mode 3 (Halt).”
8.4 TIMER 1
Timer 1 functions as either a timer or event counter in three modes of operation. Figures 8-2 and
8-3 show the logical configuration for modes 0, 1, and 2. Timer 1’s mode 3 is a hold-count mode.
A4111-02
GATE
x
INT
x
#
TR
x
TL
x
(8 Bits)
TF
x
Interrupt
Request
12
T
x
Overflow
x
= 0 or 1
XTAL1
Reload
TH
x
(8 Bits)
C/Tx#
0
1

Table of Contents

Other manuals for Intel 8XC251SA

Related product manuals