EasyManua.ls Logo

Intelitek SCORBOT-ER 9 - Work Envelope

Intelitek SCORBOT-ER 9
54 pages
Print Icon
To Next Page IconTo Next Page
To Next Page IconTo Next Page
To Previous Page IconTo Previous Page
To Previous Page IconTo Previous Page
Loading...
Work Envelope
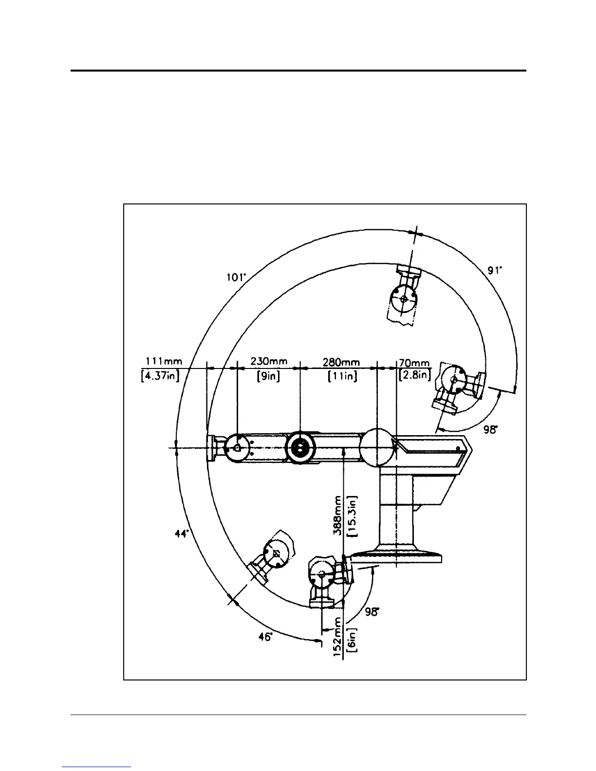
The length of the links and the degree of rotation of the joints determine the
robot’s work envelope. Figure 2-3 shows the dimensions and reach of the
SCORBOT-ER IX, while Figure 2-4 gives a top view of the robot’s work envelope.
The base of the robot is normally fixed to a stationary work surface. It may,
however, be attached to a slidebase, resulting in an extended working range.
Figure 2-3: Operating Range (Side View)
User’s Manual 2 - 3 SCORBOT-ER IX
9603