EasyManua.ls Logo

Jacobsen LF557 4WD - Page 121

Jacobsen LF557 4WD
152 pages
Print Icon
To Next Page IconTo Next Page
To Next Page IconTo Next Page
To Previous Page IconTo Previous Page
To Previous Page IconTo Previous Page
Loading...
121
LIGHTWEIGHT FAIRWAY MOWER
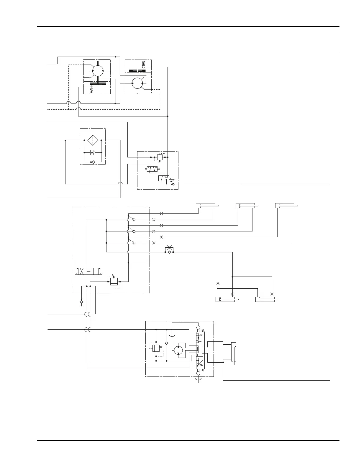
61.1 Hydraulic Schematic
2WD 5 Gang Schematic (Continued)
Serial No. All
25 psi
25 psi
10 Micron
Charge
Filter
A
B
C
D
E
F
G
H
Steering Valve
LT
L
R
P
T
E
RT
1450 psi
Right Front
Wheel Motor
1
X
2
1
X
2
L
R
L
R
Left Front
Wheel Motor
24.3 ci
24.3 ci
GP TT
450 psi
.026
Lift
Valve
Strg.
Diag
One Way
Orifice
SOL3
SOL4
Left Front
Cylinder
Center
Cylinder
Left Rear
Cylinder
Right Rear
Cylinder
Right Front
Cylinder
.040
.040
.040
.040
.040
.040
.055
.040
.040
3
2
1
4
6
9
10
8
SOL8
CHG
ST
BR
DRN
Brake
Release
Valve
350 psi

Related product manuals