EasyManua.ls Logo

Jacobsen LF557 4WD - Four Cylinder Engine

Jacobsen LF557 4WD
152 pages
Print Icon
To Next Page IconTo Next Page
To Next Page IconTo Next Page
To Previous Page IconTo Previous Page
To Previous Page IconTo Previous Page
Loading...
38
1
5
6
7
8
8
9
9
10
8
9
10
10
8
9
10
11
12
12
13
16
16
17
18
19
20
20
21
21
21
21
22
23
24
26
28
29
2
A
25
27
B
A
B
30
32
33
34
35
35
36
37
3
4
16
16
20
20
31
14
14
14
15
15
14
15
15
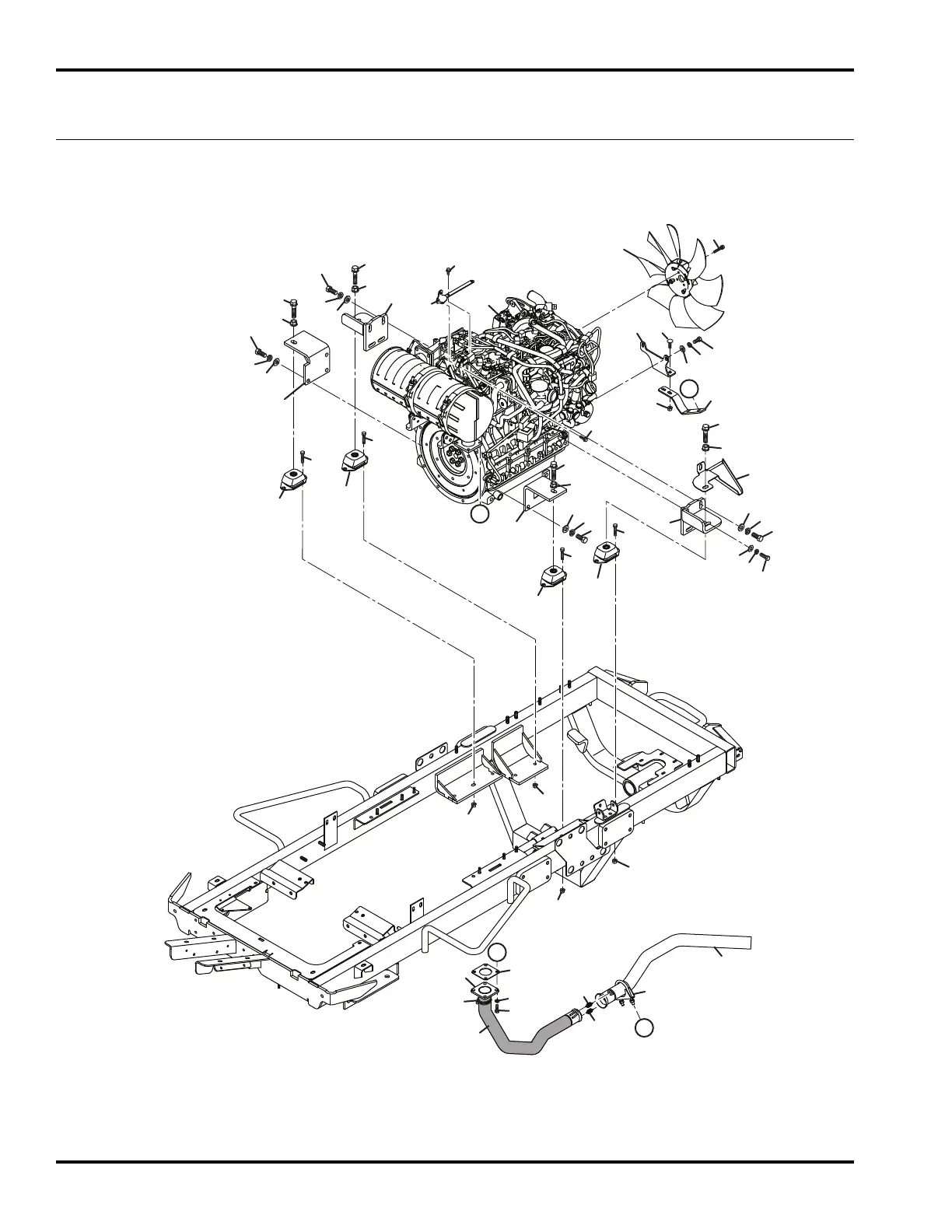
LIGHTWEIGHT FAIRWAY MOWER
18.1 Four Cylinder Engine
V2403 Tier 4 Final / Stage 5 Engine Option
Serial No. All

Related product manuals