EasyManua.ls Logo

Jacobsen LF557 4WD - Three Cylinder Engine

Jacobsen LF557 4WD
152 pages
Print Icon
To Next Page IconTo Next Page
To Next Page IconTo Next Page
To Previous Page IconTo Previous Page
To Previous Page IconTo Previous Page
Loading...
40
1
5
6
7
8
8
9
9
10
8
9
10
10
8
9
10
11
12
13
14
14
14
15
15
15
15
16
16
17
18
19
20
20
21
21
21
21
27
22
23
24
26
26
28
29
A
25
27
27
27
A
30
32
35
35
36
37
3
4
14
16
16
20
20
31
2
33
34
39
38
40
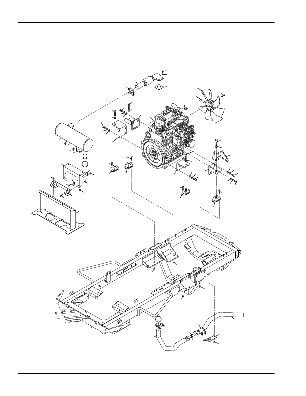
LIGHTWEIGHT FAIRWAY MOWER
19.1 Three Cylinder Engine
D1803 Tier 4 Interim Engine Option
Serial No. All

Related product manuals