EasyManua.ls Logo

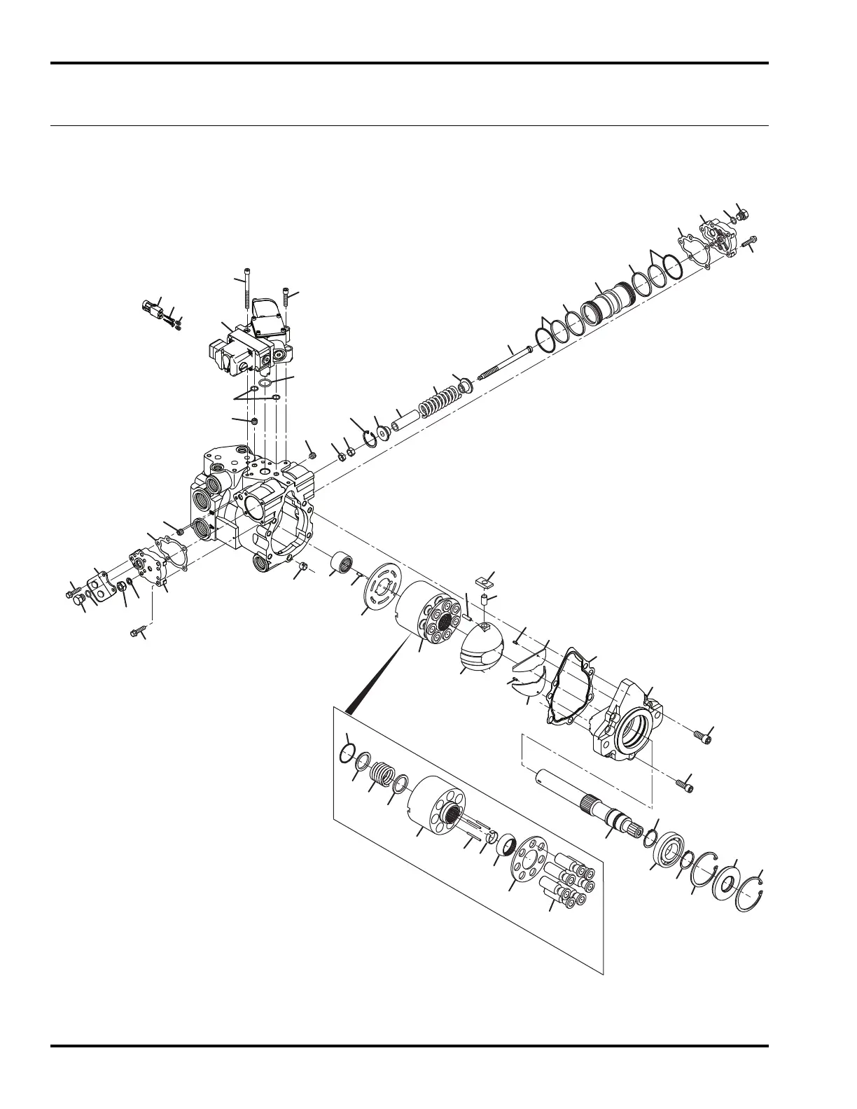
Jacobsen LF557 4WD - Traction Pump (Front Half)

Jacobsen LF557 4WD
152 pages
Print Icon
To Next Page IconTo Next Page
To Next Page IconTo Next Page
To Previous Page IconTo Previous Page
To Previous Page IconTo Previous Page
Loading...
116
1
2
3
4
5
6
6
7
7
8
9
10
11
12
13
14
15
56
57
58
59
60
51
51
52
53
54
55
32
33
34
35
36
36
37
37
38
39
40
46
47
48
49
41
42
43
44
45
35
31
33
34
34
46
47
50
16
17
18
19
20
21
22
23
24
25
26
27
28
29
29
30
LIGHTWEIGHT FAIRWAY MOWER
60.1 Traction Pump (Front Half)
Part Number 4359966

Related product manuals