EasyManua.ls Logo

Jacobsen LF557 4WD - 61.1 Hydraulic Schematic

Jacobsen LF557 4WD
152 pages
Print Icon
To Next Page IconTo Next Page
To Next Page IconTo Next Page
To Previous Page IconTo Previous Page
To Previous Page IconTo Previous Page
Loading...
120
LIGHTWEIGHT FAIRWAY MOWER
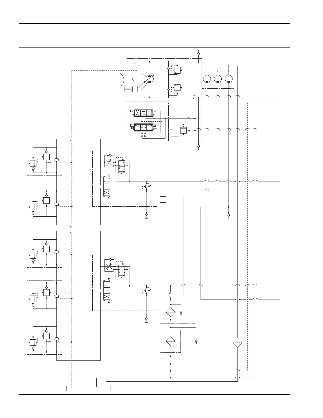
61.1 Hydraulic Schematic
2WD 5 Gang Schematic
Serial No. AllSerial No.
A
B
P
G
T
.56 ci .56 ci .56 ci
Gear
Pump
Rear
Reel
Valve
Front
Reel
Valve
1167
psi
1167
psi
LR Reel Motor
RR Reel Motor
*
*
1167
psi
LF Reel Motor
*
1167
psi
C Reel Motor
*
1167
psi
RF Reel Motor
*
Reel
Diag.
Reel
Diag.
Strg.
Diag.
10
Micron
25 psi
Crack
Bypass
25 psi
Crack
Bypass
100
Mesh
Screen
Return
Filter
Oil
Cooler
A
B
C
D
E
F
G
H
* Reel Motor Displacement
LF550 .72 ci
LF570 1.01 ci
A
B
P
G
T
3625
psi
3625
psi
315 psi
2.81 ci
Tow
Valve
Reverse
Diag.
Forward
Diag
2800
RPM
A
B
Traction
Pump
EDC
SOL2
SOL1
SOL6
SOL5

Related product manuals