EasyManua.ls Logo

Jacobsen LF557 4WD - T4 I Fuel System

Jacobsen LF557 4WD
152 pages
Print Icon
To Next Page IconTo Next Page
To Next Page IconTo Next Page
To Previous Page IconTo Previous Page
To Previous Page IconTo Previous Page
Loading...
46
LIGHTWEIGHT FAIRWAY MOWER
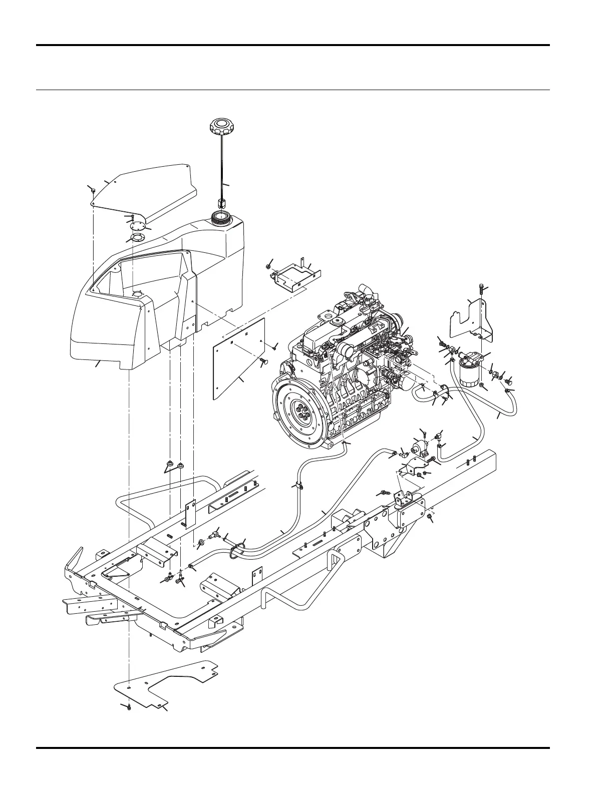
22.1 T4I Fuel System
Tier 4 Interim Engine Options
Serial No. All
1
2
3
4
5
6
7
8
9
10
11
12
13
14
14
14
14
15
15
16
17
18
19
19
19
19
19
19
19
19
20
21
22
23
24
24
25
25
26
27
28
28
28
28
29
29
30
30
42
31
32
33
34
35
36
37
38
39
40
41

Related product manuals