EasyManua.ls Logo

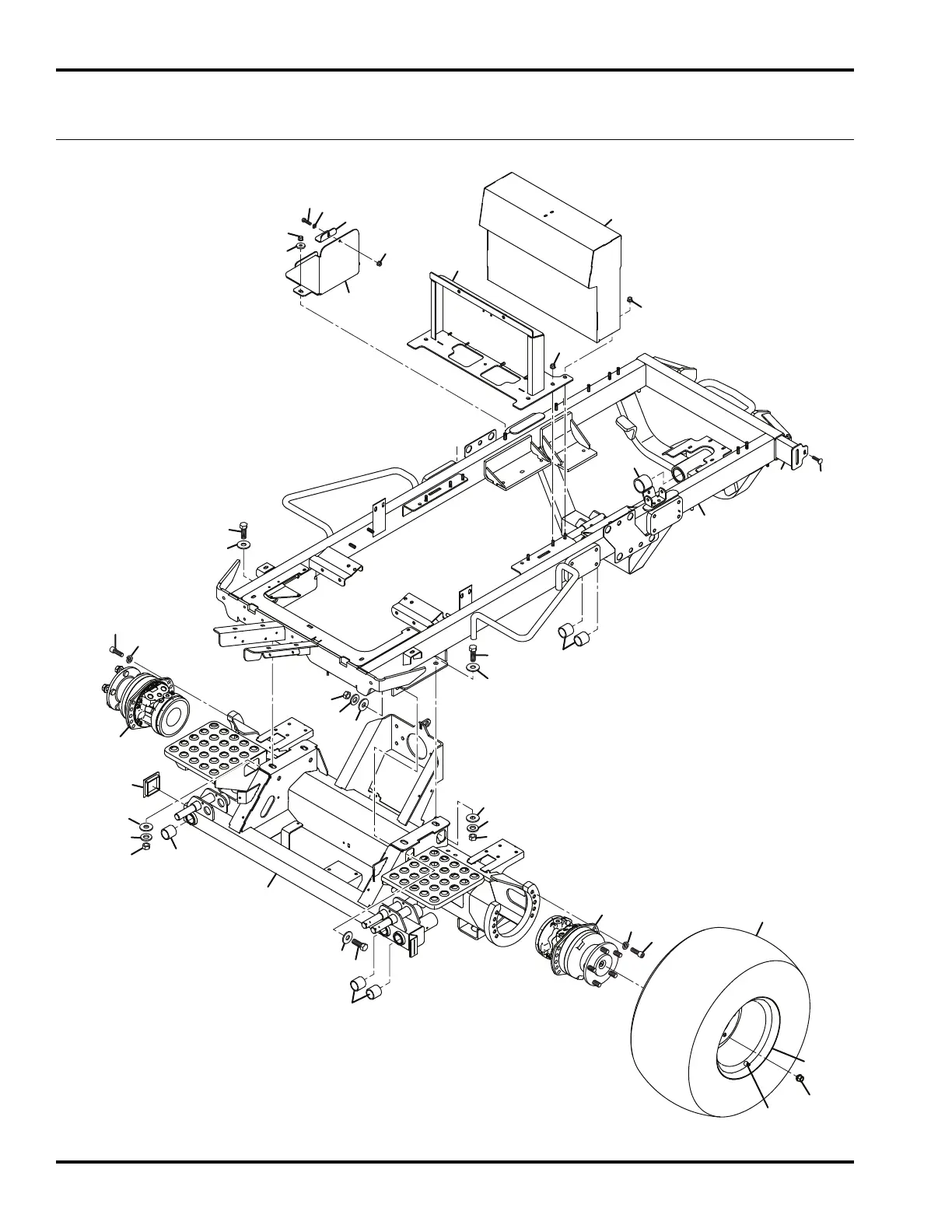
Jacobsen LF557 4WD - 8.1 Frame and Front Axle

Jacobsen LF557 4WD
152 pages
Print Icon
To Next Page IconTo Next Page
To Next Page IconTo Next Page
To Previous Page IconTo Previous Page
To Previous Page IconTo Previous Page
Loading...
18
1
28
29
2
3
4
5
5
6
6
6
7
7
7
7
7
7
8
8
8
9
9
9
10
11
11
12
13
13
14
14
15
16
17
18
21
21
25
19
26
20
21
22
23
24
LIGHTWEIGHT FAIRWAY MOWER
8.1 Frame and Front Axle
Serial No. All

Related product manuals