EasyManua.ls Logo

Jacobsen LF557 4WD - Hydraulic Schematic

Jacobsen LF557 4WD
152 pages
Print Icon
To Next Page IconTo Next Page
To Next Page IconTo Next Page
To Previous Page IconTo Previous Page
To Previous Page IconTo Previous Page
Loading...
127
LIGHTWEIGHT FAIRWAY MOWER
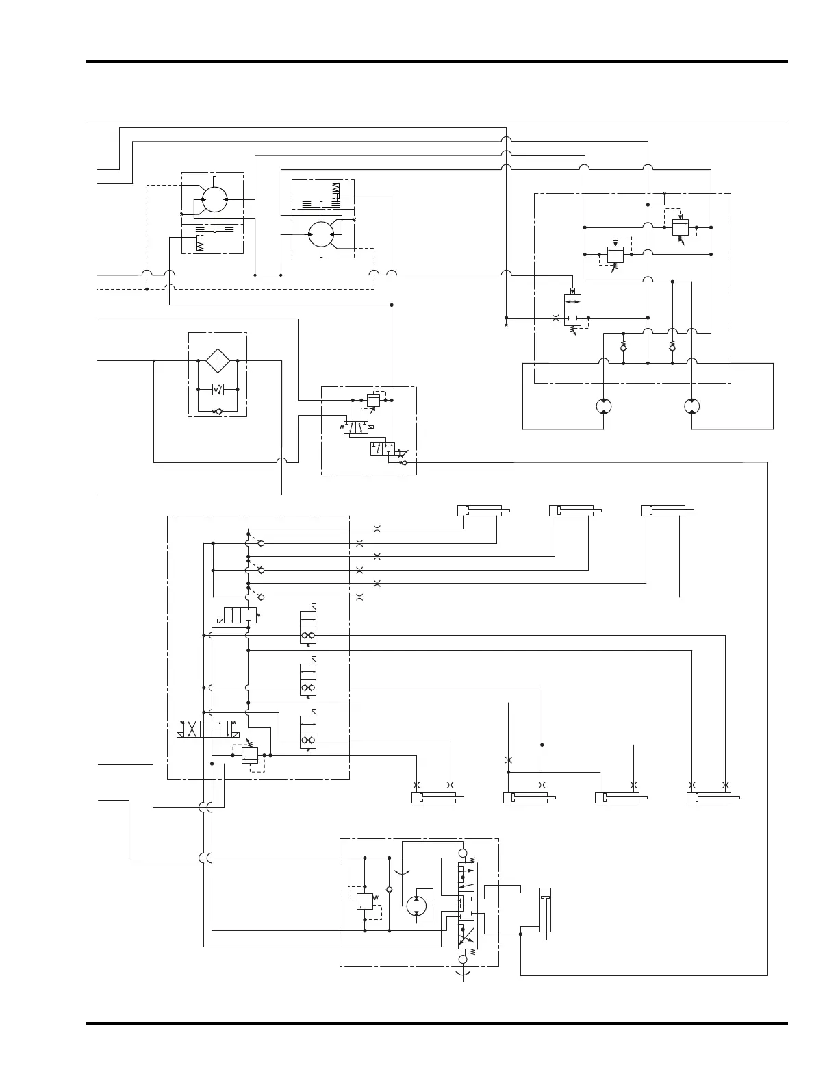
61.1 Hydraulic Schematic
4WD 7 Gang Schematic (Continued)
Serial No.
Left Front
Cylinder
Center
Cylinder
Left Rear
Cylinder
Left Wing
Cylinder
Right Rear
Cylinder
Right Wing
Cylinder
Right Front
Cylinder
.040
.040
.040
.040 .040
.040
.040
.040
25 psi
25 psi
10 Micron
Charge
Filter
E
F
G
H
J
Steering Valve
LT
L
R
P
T
E
RT
1450 psi
.055
.040 .040 .040 .040
3
2
1
PTT
450 psi
9
10
5
7
4
SOL9
SOL3
SOL4
SOL11
SOL12
SOL10
11
6
12
8
Lift
Valve
A
B
C
D
1
X
2
1
X
2
L
R
L
R
Left Front
Wheel Motor
24.3 ci
24.3. ci
SOL8
CHG
ST
BR
DRN
Brake
Release
Valve
350 psi
LF RFREV
DRN
M2
LRR
LRF
RRR
RRF
.040
4WD
Valve
Left Rear
Wheel Motor
Right Rear
Wheel Motor
280 psi
280 psi

Related product manuals