EasyManua.ls Logo

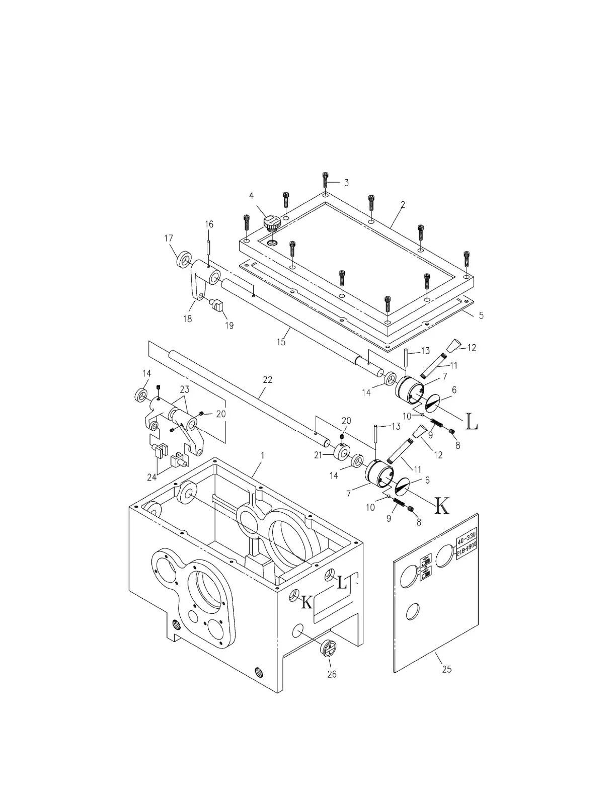
Jet EVS-1440B - 15 Replacement Parts; EVS-1440 B Headstock Assembly - Exploded View I

Jet EVS-1440B
68 pages
Print Icon
To Next Page IconTo Next Page
To Next Page IconTo Next Page
To Previous Page IconTo Previous Page
To Previous Page IconTo Previous Page
Loading...
25
15.0 Replacement Parts
Replacement parts are listed on the following pages. To order parts or reach our service department, call 1-800-
274-6848 Monday through Friday, 8:00 a.m. to 5:00 p.m. CST. Having the Model Number and Serial Number of
your machine available when you call will allow us to serve you quickly and accurately.
Non-proprietary parts, such as fasteners, can be found at local hardware stores, or may be ordered from JET.
Some parts are shown for reference only, and may not be available individually.
15.1.1 EVS-1440B Headstock Assembly – Exploded View I

Table of Contents

Related product manuals