EasyManua.ls Logo

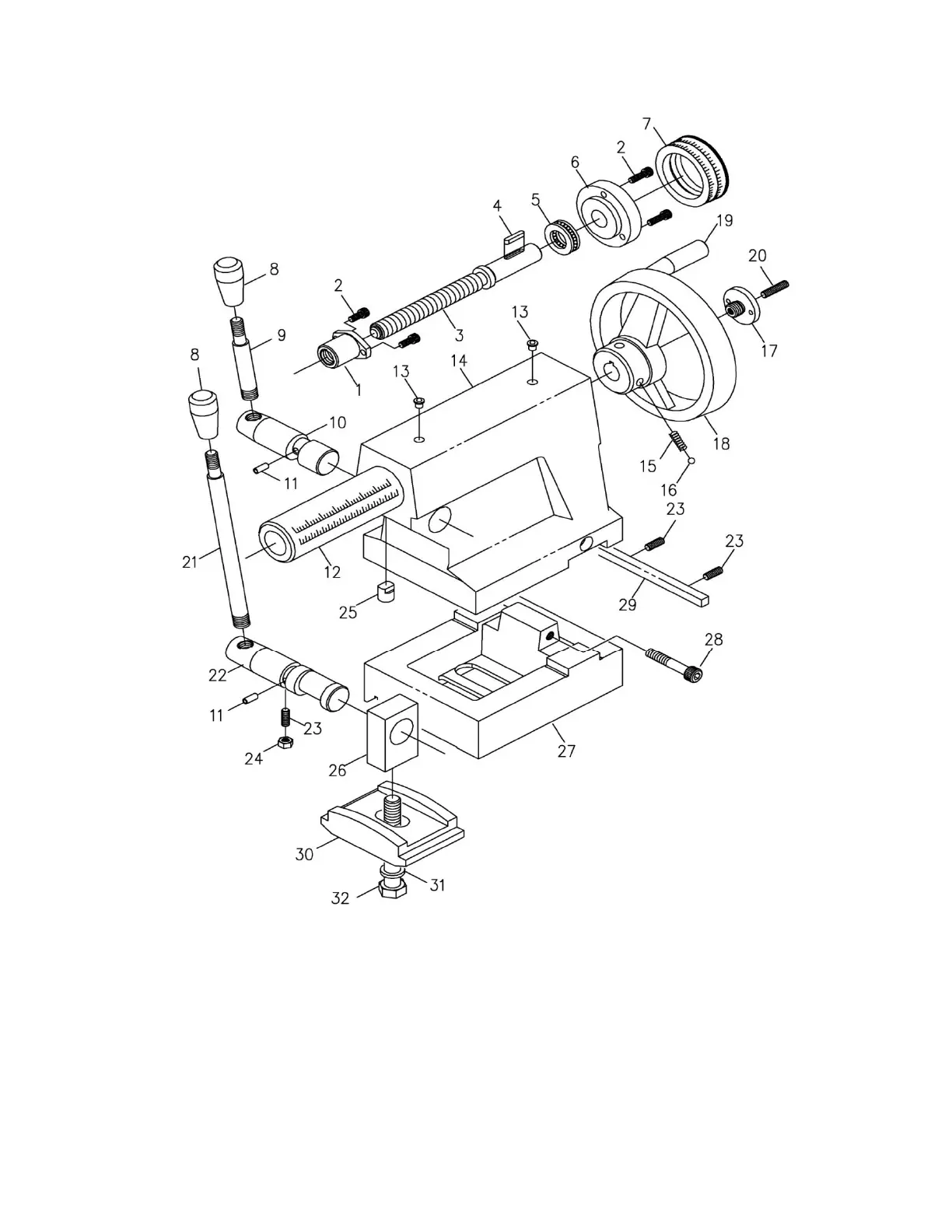
Jet EVS-1440B - EVS-1440 B Tailstock Assembly - Exploded View

Jet EVS-1440B
68 pages
Print Icon
To Next Page IconTo Next Page
To Next Page IconTo Next Page
To Previous Page IconTo Previous Page
To Previous Page IconTo Previous Page
Loading...
44
15.6.1 EVS-1440B Tailstock Assembly – Exploded View

Table of Contents

Related product manuals