EasyManua.ls Logo

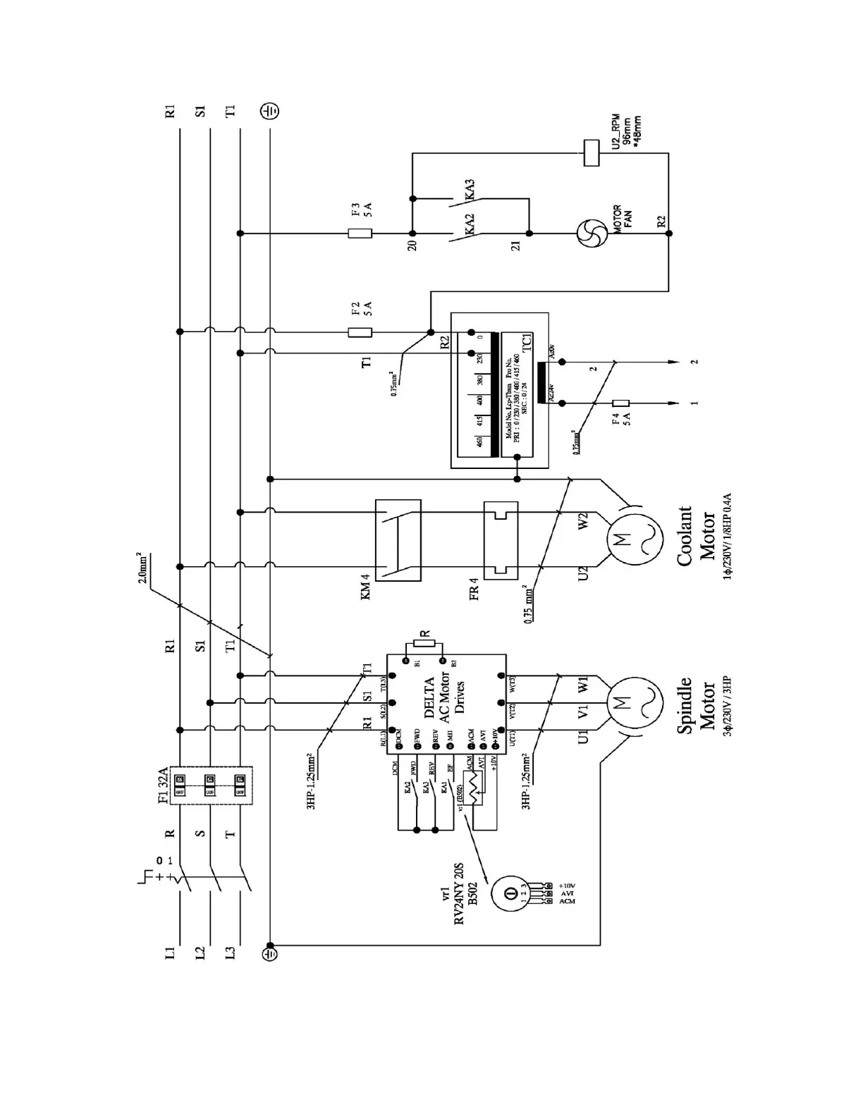
Jet EVS-1440B - 16 Electrical Connections for EVS-1440 B

Jet EVS-1440B
68 pages
Print Icon
To Next Page IconTo Next Page
To Next Page IconTo Next Page
To Previous Page IconTo Previous Page
To Previous Page IconTo Previous Page
Loading...
64
16.0 Electrical Connections for EVS-1440B

Table of Contents

Related product manuals