EasyManua.ls Logo

Jet EVS-1440B - EVS-1440 B Follow Rest Assembly - Exploded View; EVS-1440 B Follow Rest Assembly - Parts List

Jet EVS-1440B
68 pages
Print Icon
To Next Page IconTo Next Page
To Next Page IconTo Next Page
To Previous Page IconTo Previous Page
To Previous Page IconTo Previous Page
Loading...
59
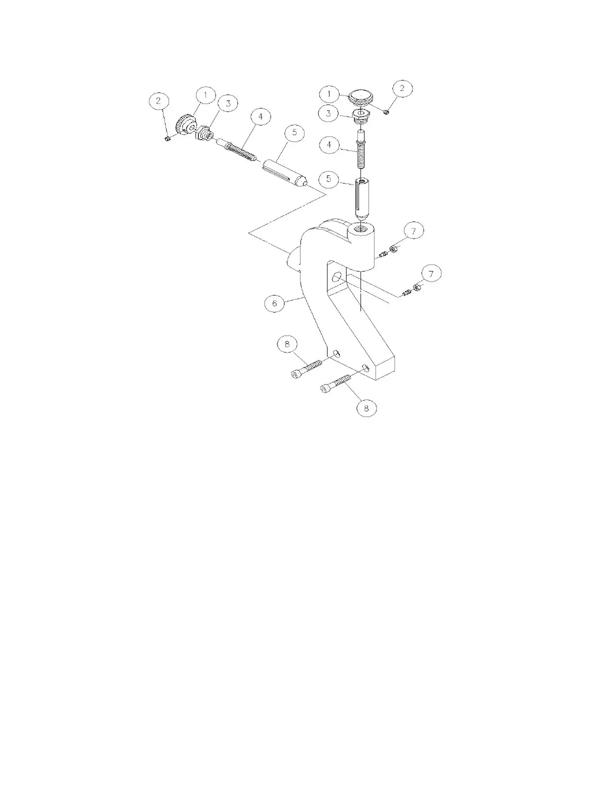
15.18.1 EVS-1440B Follow Rest Assembly – Exploded View
15.18.2 EVS-1440B Follow Rest Assembly – Parts List
Index No Part No Description Size Qty
1 ................ E1440VS-FR01 ......... Nut ........................................................................... Ø20xØ24x25L ............... 2
2 ................ TS-1523011 .............. Set Screw ................................................................ M6x6mm ....................... 2
3 ................ E1440VS-FR03 ......... Screw ....................................................................... Ø23x17L ....................... 2
4 ................ E1440VS-FR04 ......... Set Screw ................................................................ Ø9.5x77L ...................... 2
.................. E1440VS-FR01A ....... Nut Assembly (includes #1~4) ................................. ...................................... 2
5 ................ EVS1440B-SR05 ...... Bronze Shaft ............................................................ Ø18.8x78L .................... 2
6 ................ E1236VS-FR06 ......... Follow Rest .............................................................. 271x32x159 .................. 1
7........TS-1523041/TS-2311061 ... Set Screw w/Nut ...................................................... M6x12L + M6 nut .......... 2
8 ................ TS-1490081 .............. Socket Head Cap Screw ......................................... M8x45mm ..................... 2

Table of Contents

Related product manuals