EasyManua.ls Logo

Jet EVS-1440B - EVS-1440 B Apron Assembly - Exploded View I

Jet EVS-1440B
68 pages
Print Icon
To Next Page IconTo Next Page
To Next Page IconTo Next Page
To Previous Page IconTo Previous Page
To Previous Page IconTo Previous Page
Loading...
35
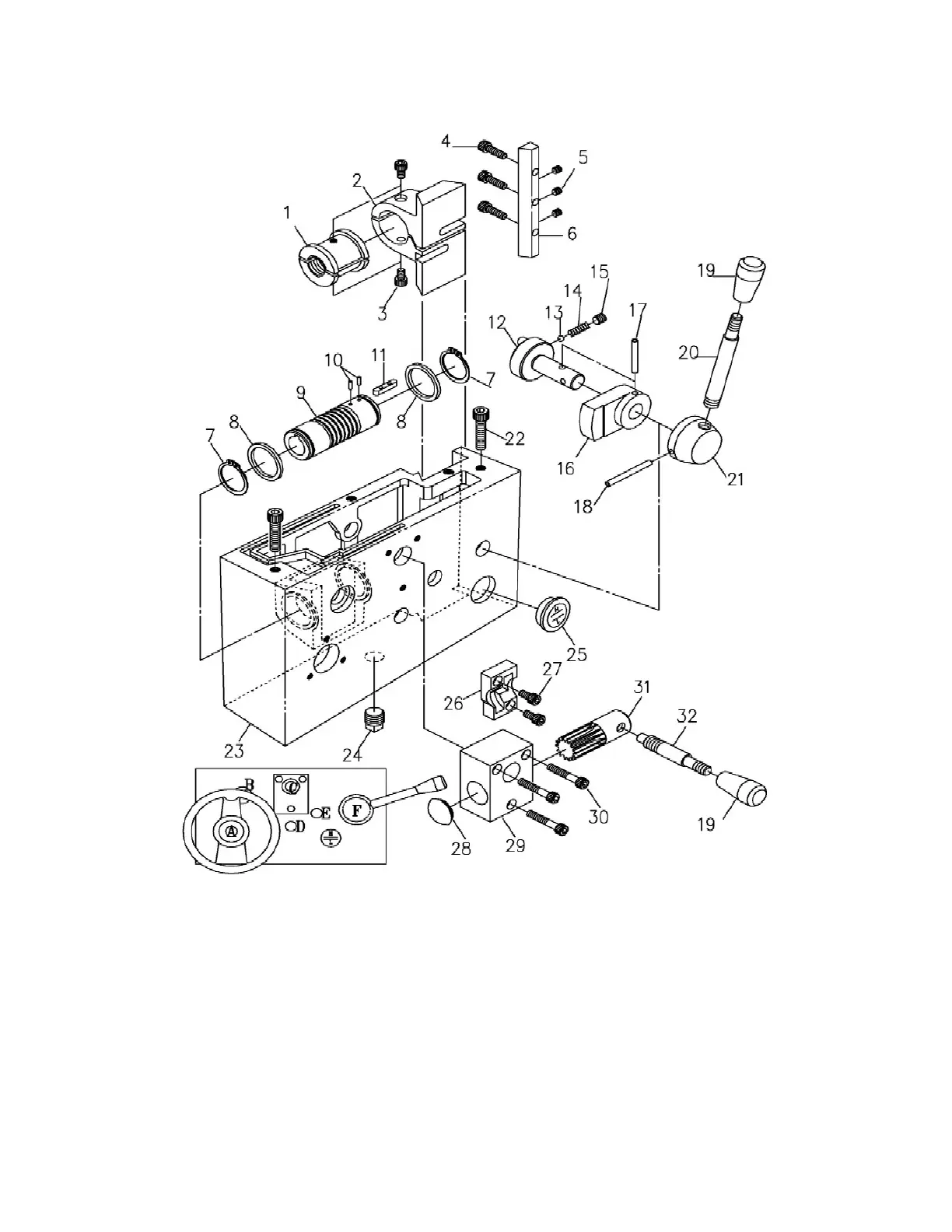
15.3.1 EVS-1440B Apron Assembly – Exploded View I

Table of Contents

Related product manuals