EasyManua.ls Logo

JPI JP-33 - DEV and FIX Heating Pipe New Version

JPI JP-33
60 pages
Print Icon
To Next Page IconTo Next Page
To Next Page IconTo Next Page
To Previous Page IconTo Previous Page
To Previous Page IconTo Previous Page
Loading...
JP-33 SERVICE MANUAL
Technical Support How to replace key parts
Version
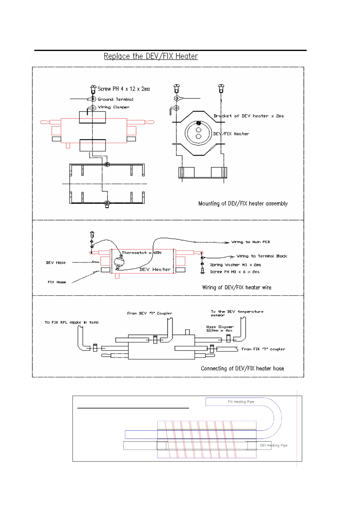
Revise Note: The picture of new developer heater adapt to after October 2003.
DEV and FIX heating pipe new version
- -
39

Table of Contents