EasyManua.ls Logo

Keithley 2601B - Page 89

Keithley 2601B
864 pages
To Next Page IconTo Next Page
To Next Page IconTo Next Page
To Previous Page IconTo Previous Page
To Previous Page IconTo Previous Page
Loading...
Series 2600B
System SourceMeterĀ® Instrument Reference Manual Section 2:
General operation
2600BS-901-01 Rev. B / May 2013 2-65
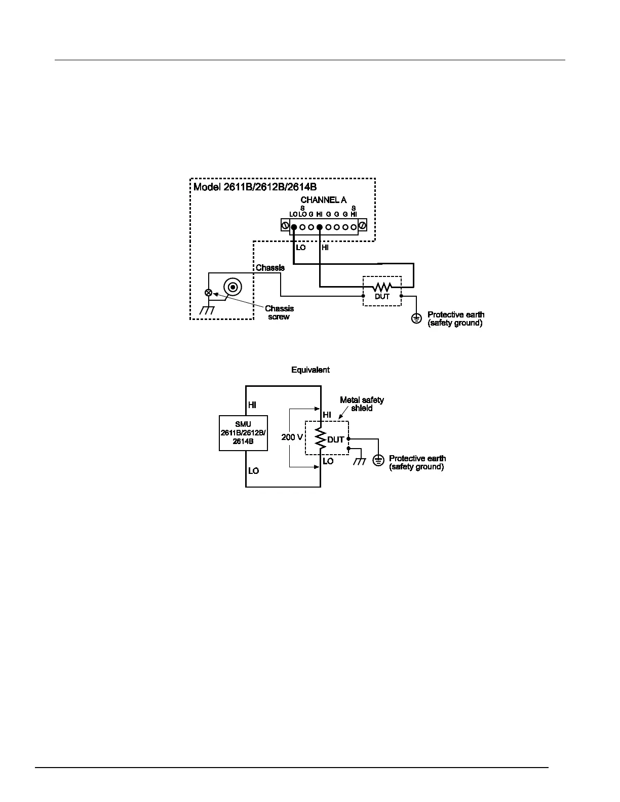
Model 2611B/2612B/2614B/2634B/2635B/2636B:
The maximum output voltage for a Model
2611B/2612B/2614B/2634B/2635B/2636B channel is 220 V, which is considered hazardous and
requires a safety shield. The following figures illustrate test connections for these models.
Use #18 AWG wire or larger for connections to protective earth (safety ground) and chassis.
Figure 29: Model 2611B/2612B/2614B safety shield for hazardous voltage test circuit
connections

Table of Contents

Other manuals for Keithley 2601B

Related product manuals