EasyManua.ls Logo

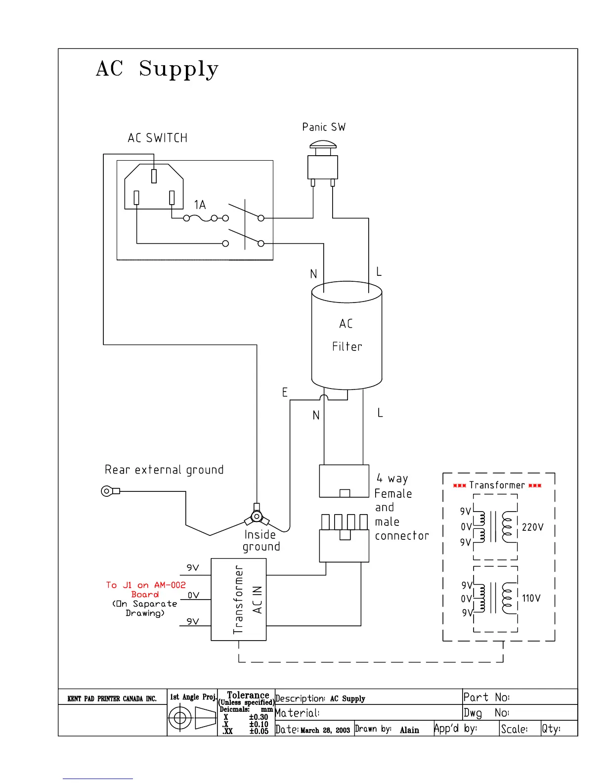
KENT SP500 - AC Supply

KENT SP500
44 pages
Print Icon
To Next Page IconTo Next Page
To Next Page IconTo Next Page
To Previous Page IconTo Previous Page
To Previous Page IconTo Previous Page
Loading...