EasyManua.ls Logo

KitchenAid KDRP487MSS - Page 18

KitchenAid KDRP487MSS
68 pages
Print Icon
To Next Page IconTo Next Page
To Next Page IconTo Next Page
To Previous Page IconTo Previous Page
To Previous Page IconTo Previous Page
Loading...
3-2
P5
P7
Not Used
Not Used
BL R Y
20
JP18 JP19
BK BK
21 22
P1
Double Line
Break Relay
BK OR GY
P8
OR
OR
Y
Y Y BK
P3
Thermostat & Selector Sw.
Connector
P9
BK
BK
P4
GN BU BU
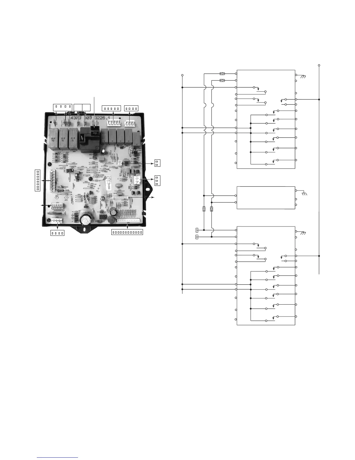
The main electronic control synchronizes the
“Time of Day” readout information that the two
secondary electronic control boards share. If
for some reason the clocks do not indicate the
exact times, the main electronic control may
be defective.
It also monitors the secondary boards to pre-
vent two self-clean functions from occurring at
the same time. In addition, it prevents a self-
clean and cooking function from occurring at
the same time.
The electronic controls have six cooking re-
lays, as shown in the wiring diagram to the
right, and two door latching relays that oper-
ate during self-cleaning. They also have a
double line break relay that is a safety relay to
control the circuit to the L2 side of the line.
L2
L1
GRN
BK
BK
P4-1
P4-2
P7-4
P7-2
P7-3
P3-1
P1-3
P5-4
P5-1
P5-3
P1-1
P1-5
P7-1
R
R
P7-5
DOUBLE LINE
BREAK RELAY
P9-1
P9-3
Y
ORG
P3-2
P3-3
P3-2
P3-3
P9-1
P9-3
Y
ORG
LS2
LS1
BK
P8-1
P8-3
P8-2
P8-4
BK
BK
W1
GRN
BK
BK
P4-1
P4-2
P7-4
P7-2
P7-3
P3-1
P1-3
P5-4
P5-1
P5-3
P1-1
P1-5
P7-1
R
R
BU (BROIL)
OR (DOOR
LATCH MTR)
OR (DOOR
LATCH MTR)
R (BAKE)
Y (CONV)
GY (BLOWER)
OR (CONV
FAN)
BK (LIGHTS)
BU (BROIL)
R (BAKE)
Y (CONV)
GY (BLOWER)
OR (CONV
FAN)
BK (LIGHTS)
P7-5
DOUBLE LINE
BREAK RELAY
P9-1
P9-3
Y
ORG
RS2
RS1
P3-2
P3-3
BK
BK
P8-1
P8-3
P8-2
P8-4
BK
MAIN
BK
BK
BK
Y
ORG
ELECTRONIC CONTROL
ELECTRONIC CONTROL
ELECTRONIC CONTROL
LEFT SECONDARY
RIGHT SECONDARY
NOTE: The blower remains off until the oven
reaches 190°F, and may continue running for
up to 45 minutes after the oven is turned off.
The main electronic control and the two elec-
tronic controls (secondary boards) interconnect
wiring is shown below.

Table of Contents

Related product manuals