EasyManua.ls Logo

KitchenAid KDRP487MSS - Wiring Diagram & Strip Circuits; Wiring Diagram

KitchenAid KDRP487MSS
68 pages
Print Icon
To Next Page IconTo Next Page
To Next Page IconTo Next Page
To Previous Page IconTo Previous Page
To Previous Page IconTo Previous Page
Loading...
7-1
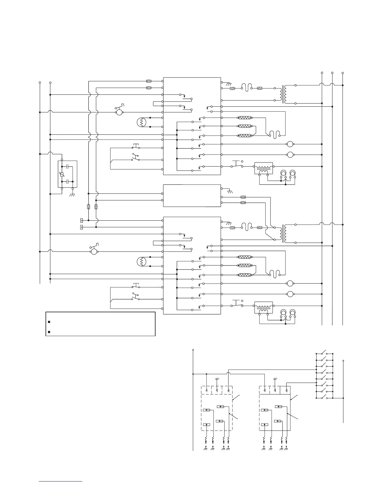
WIRING DIAGRAM & STRIP CIRCUITS
WIRING DIAGRAM
L2NL1
RW
W
W
N
L1
CONV. FAN
BROIL-3000W
BAKE-2000W
CONV.-1600W
HALOGEN
5W/BULB
RIGHT LATCH SWITCH
(OPERATED BY MOTOR)
LEFT DOOR SWITCH
BR
BU
V
GRN
W
OR
BU
R
Y
R
GY
BK
BK
W
BK
W
t
°
BK
P4-1
P4-2
P7-4
P7-2
P7-3
P3-1
P1-3
P5-4
P5-1
P5-3
P1-1
P1-5
TA N
P7-1
W
W
TA N
TA N
W
R
DOOR LOCK
MOTOR LATCH
R
V
P7-5
ELECTRONIC CONTROL
DOUBLE LINE
BREAK RELAY
OVEN
SHUTDOWN
THERMAL
FUSE
P9-1
P9-3
LATCH ASSY
Y
OR
W
BK
BK
BK
OFF
AUTO
LIGHT
SWITCH
LIGHT POWER SUPPLY
OR
W
R
CONTROL POWER
TRANSFORMER
BU
BU
P3-2
P3-3
CONTROL PANEL
THERMAL FUSE -
183
°
F (84
°
C)
BU
W
W
BK
BU
W
BK
P3-2
P3-3
P9-1
P9-3
Y
ORG
LS2
LS1
W
BK
Y
Y
OR
P8-1
P8-3
P8-2
P8-4
W
W
BK
BK
BK
BK
BK
W2
W1
LS4
LS3
WISP CONNECTOR
(MANUFACTURING
USE ONLY)
TEMP SENSOR
1080 AT 70
°
F (21
°
C)
1654 AT 350
°
F (177
°
C)
CONV. FAN
BROIL-3000W
BAKE-2000W
CONV.-1600W
RIGHT LATCH SWITCH
(OPERATED BY MOTOR)
RIGHT DOOR SWITCH
BRN
BU
V
GRN
W
OR
BU
R
Y
R
GY
BK
BK
W
BK
W
t
°
BK
P4-1
P4-2
P7-4
P7-2
P7-3
P3-1
P1-3
P5-4
P5-1
P5-3
P1-1
P1-5
TA N
P7-1
W
W
TA N
TA N
R
BLOWER
DOOR LOCK
MOTOR LATCH
R
V
P7-5
RIGHT SECONDARY
DOUBLE LINE
BREAK RELAY
OVEN
SHUTDOWN
THERMAL
FUSE
P9-1
P9-3
(SEE NOTE)
LATCH ASSY
Y
ORG
RS2
RS1
BK
BK
OFF
AUTO
LIGHT
SWITCH
LIGHT POWER SUPPLY
ORG
W
R
CONTROL POWER
TRANSFORMER
BU
BU
P3-2
P3-3
CONTROL PANEL
THERMAL FUSE -
183
°
F (84
°
C)
BU
W
W
BK
BK
BU
M
~
W
BK
Y
Y
ORG
P8-1
P8-3
P8-2
P8-4
W
W
BK
W
BK
MAIN
HALOGEN
5W/BULB
W
W
BK
BK
BK
BK
BK
Y
OR
SUPPRESSOR
WP#4451985
M
~
M
~
BLOWER
(SEE NOTE)
TEMP SENSOR
1080 AT 70
°
F (21
°
C)
1654 AT 350
°
F (177
°
C)
M
~
NOTES:
Blower remains off until oven reaches 190
°
F (88
°
C) and may
continue running up to 45 minutes after oven has turned off.
Circuit shown in STANDBY/OFF mode with oven door closed.
LEFT SECONDARY
ELECTRONIC CONTROL
ELECTRONIC CONTROL
L2
N
VALVE SWITCHES
IGNITOR
ELECTRODES
IGNITOR
ELECTRODES
SPARK
MODULE 2
SPARK
MODULE 1
W
W
W/BLU
GRNR
GND
R
W
R
W/BLU
GRNR
GND
W/BLU
BRN OR YELBRN OR YEL
COOKTOP SCHEMATIC

Table of Contents

Related product manuals