EasyManua.ls Logo

KitchenAid KDRP487MSS - Page 63

KitchenAid KDRP487MSS
68 pages
Print Icon
To Next Page IconTo Next Page
To Next Page IconTo Next Page
To Previous Page IconTo Previous Page
To Previous Page IconTo Previous Page
Loading...
7-3
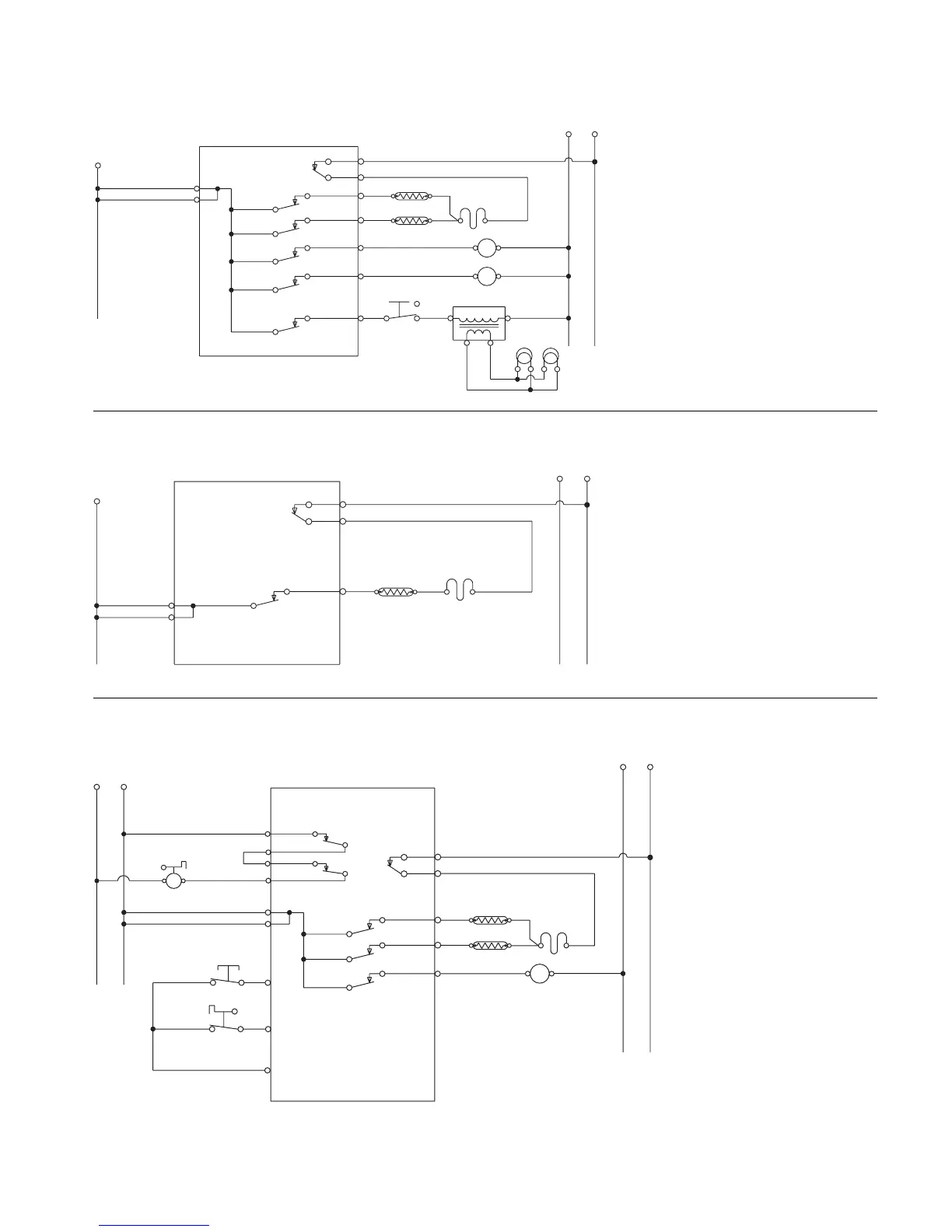
PREHEAT CONVECTION BAKE / CONVECTION BAKE
L1
L2
GY
N
P1-5
P1-1
W
BK
BK
P4-1
P4-2
W
BK
BK
OFF
AUTO
LIGHT
SWITCH
LIGHT POWER
SUPPLY
BLOWER
OR
P1-3
W
CONV FAN
BK
W
R
BROIL-3000W
CONV-1600W
BU
Y
R
P5-1
P5-4
R
DOUBLE LINE
BREAK RELAY
OVEN
SHUTDOWN
THERMAL FUSE
R
R
HALOGEN
5W/BULB
BK
W
W
W
BK
BK
M
~
M
~
PROOF
L1
L
2
N
BK
BK
P4-1
P4-2
BK
R
W
BROIL-3000W
BU
R
P5-1
R
DOUBLE LINE
BREAK RELAY
OVEN
SHUTDOWN
THERMAL FUSE
R
R
CLEAN
L2
GY
N
P1-1
W
BK
BK
P4-1
P4-2
BLOWER
LATCH SWITCH
(OPER. BY MOTOR)
DOOR SWITCH
BRN
BU
P7-2
P7-3
TA N
P7-1
TA N
TA N
LATCH ASSY
RW
BROIL-3000W
BAKE-2000W
BU
R
R
P5-1
P5-3
R
DOUBLE LINE
BREAK RELAY
OVEN
SHUTDOWN
THERMAL FUSE
R
R
DOOR LOCK
MOTOR LATCH
ORG
W
W
BK
Y
Y
ORG
P8-1
P8-3
P8-2
P8-4
BK
L1N
BK
W
NOTE: DURING THE SELF CLEAN FUNCTION,
THE OTHER OVEN CAN NOT OPERATE.
M
~
M
~

Table of Contents

Related product manuals