EasyManua.ls Logo

Kollmorgen S700

Kollmorgen S700
216 pages
Go to English
To Next Page IconTo Next Page
To Next Page IconTo Next Page
To Previous Page IconTo Previous Page
To Previous Page IconTo Previous Page
Loading...
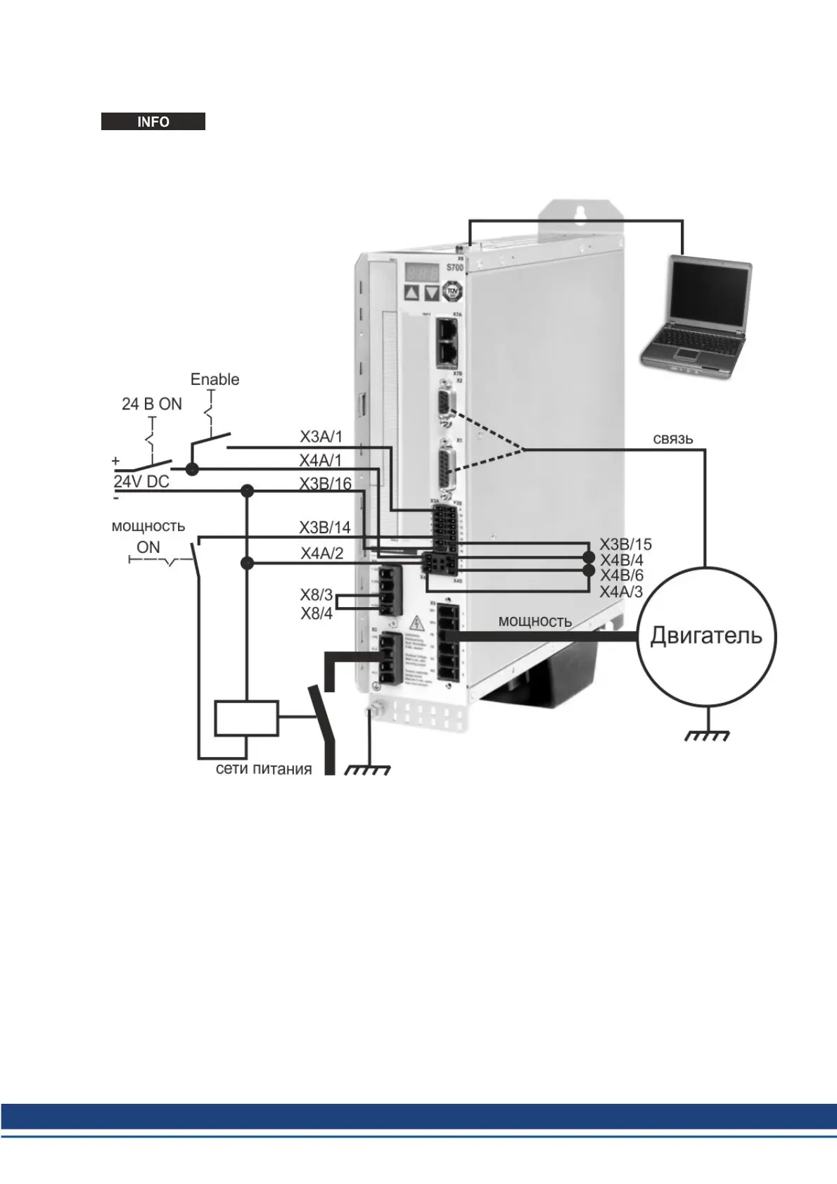
5.6.3.3 Минимально необходимая схема соединений S701...724 для быстрого тестирования
Данная схема проводных соединений не соответствует требованиям по безопасности
и работоспособности при выполнении вашей задачи. Здесь представлена только мини-
мально необходимая схема проводных соединений для быстрого тестирования.
S700 Safety Guide | 5 Русский
Kollmorgen | September 2015 185

Table of Contents

Other manuals for Kollmorgen S700

Related product manuals