EasyManua.ls Logo

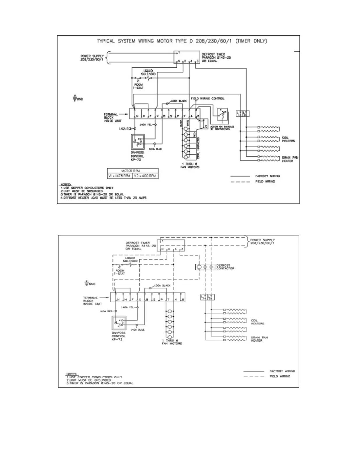
KRACK KR Series - FIGURE 5 C Electric Defrost System with Timer Wiring - Motor Type D; FIGURE 6 A Electric Defrost with Timer and Defrost Contactor Wiring - Motor Type B

Default Icon
39 pages
Print Icon
To Next Page IconTo Next Page
To Next Page IconTo Next Page
To Previous Page IconTo Previous Page
To Previous Page IconTo Previous Page
Loading...
19KR Electrical Defrost Unit Coolers (PN E108318_S)
FIGURE 5C: ELECTRIC DEFROST SYSTEM WITH TIMER WIRING - MOTOR TYPE D
FIGURE 6A: ELECTRIC DEFROST WITH TIMER AND DEFROST CONTACTOR
WIRING - MOTOR TYPE B

Table of Contents