EasyManua.ls Logo

KSB PumpDrive - 7.1.3 Multiple pump configuration

KSB PumpDrive
162 pages
Print Icon
To Next Page IconTo Next Page
To Next Page IconTo Next Page
To Previous Page IconTo Previous Page
To Previous Page IconTo Previous Page
Loading...
1 2 3 4 65 7 8 9 10 11 10
4 P7 P
PumpDrive 1
PumpMeter 1
1 2 3 4 5
grsw br
bl
wh
1 2 3 4 65 7 8 9 10 11 10
4 P7 P
PumpDrive 2
PumpMeter 2
1 2 3 4 5
gr
sw brbl
wh
AIN 2 PM 1
AIN 2 PM 2
24 V
GND
COM 1
NO 1
NO 2
+24V
AIN2
AIN1
ANG P7
AN OUT
ANG P4
GND
COM 2
COM 1
NO 1
NO 2
+24V
AIN2
AIN1
ANG P7
AN OUT
ANG P4
GND
COM 2
500 Ohm
500 Ohm
br
bl
sw
gr
wh
br
bl
sw
gr
wh
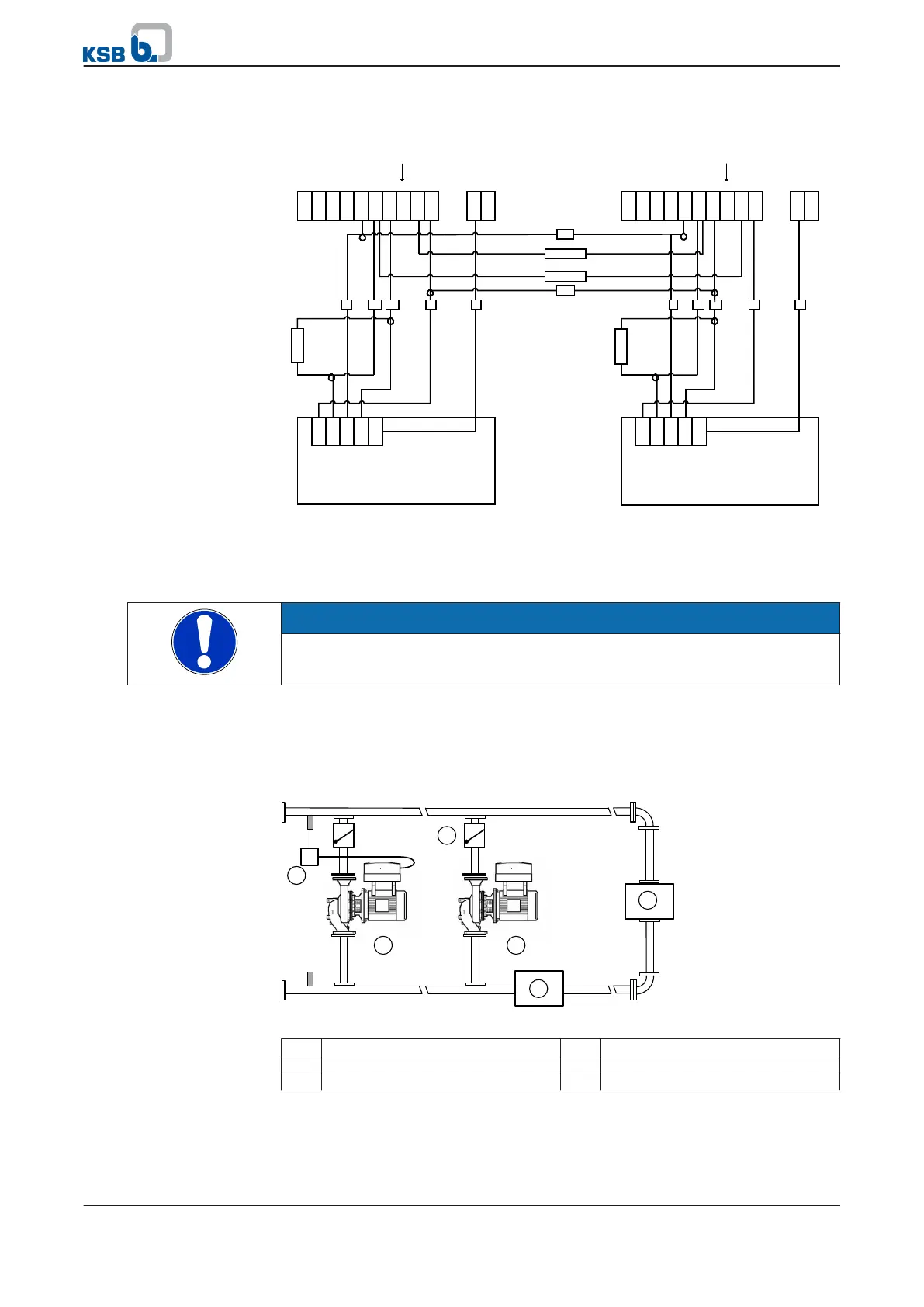
Fig. 37: Connecting PumpMeter as a differential pressure sensor
7.1.3 Multiple pump configuration
NOTE
The motor parameters must be set prior to commissioning. (Section 7.1.1.1 Page
49)
Up to six PumpDrives can be operated in parallel in a multiple pump configuration.
The defined master (PumpDrive Advanced) controls the slave PumpDrives (PumpDrive
Basic) to ensure that they are utilised optimally. If the master fails or malfunctions,
one of the other PumpDrives (Advanced) can assume the role of master. This,
however, requires that the appropriate signals be applied in parallel on each
PumpDrive Advanced during configuration.
1
2
Δp
4
3 5
6
Fig. 38: Differential pressure control in a multiple pump configuration
1 Heat generator 2 Consumer
3 PumpDrive Advanced (master) 4 Differential pressure sensor
5 PumpDrive (slaves 1 - 5) 6 Swing check valve
Terminology
The following terms are defined for multiple pump configurations:
Redundant connection of
PumpMeter as a
differential pressure
sensor
7 Commissioning/shutdown
62 of 162
PumpDrive

Table of Contents

Related product manuals