EasyManua.ls Logo

L-Acoustics K3 - Page 99

L-Acoustics K3
120 pages
Print Icon
To Next Page IconTo Next Page
To Next Page IconTo Next Page
To Previous Page IconTo Previous Page
To Previous Page IconTo Previous Page
Loading...
Connection to LA amplied controllers
Connection to LA amplied controllers
Enclosure drive capacity per amplied controller
Make sure the total number of connected enclosures does not exceed the maximum number of enclosure per controller
(refer to the footnote).
LA4X LA8 LA12X
per output
*
/ total per output
*
/ total per output
*
/ total
K3 1 / 2 2 / 4 3 / 6
Kara II 2 / 4 3 / 6 3 / 6
KS28 1 / 4
KS21 1 / 4
2 / 6
b
2 / 8
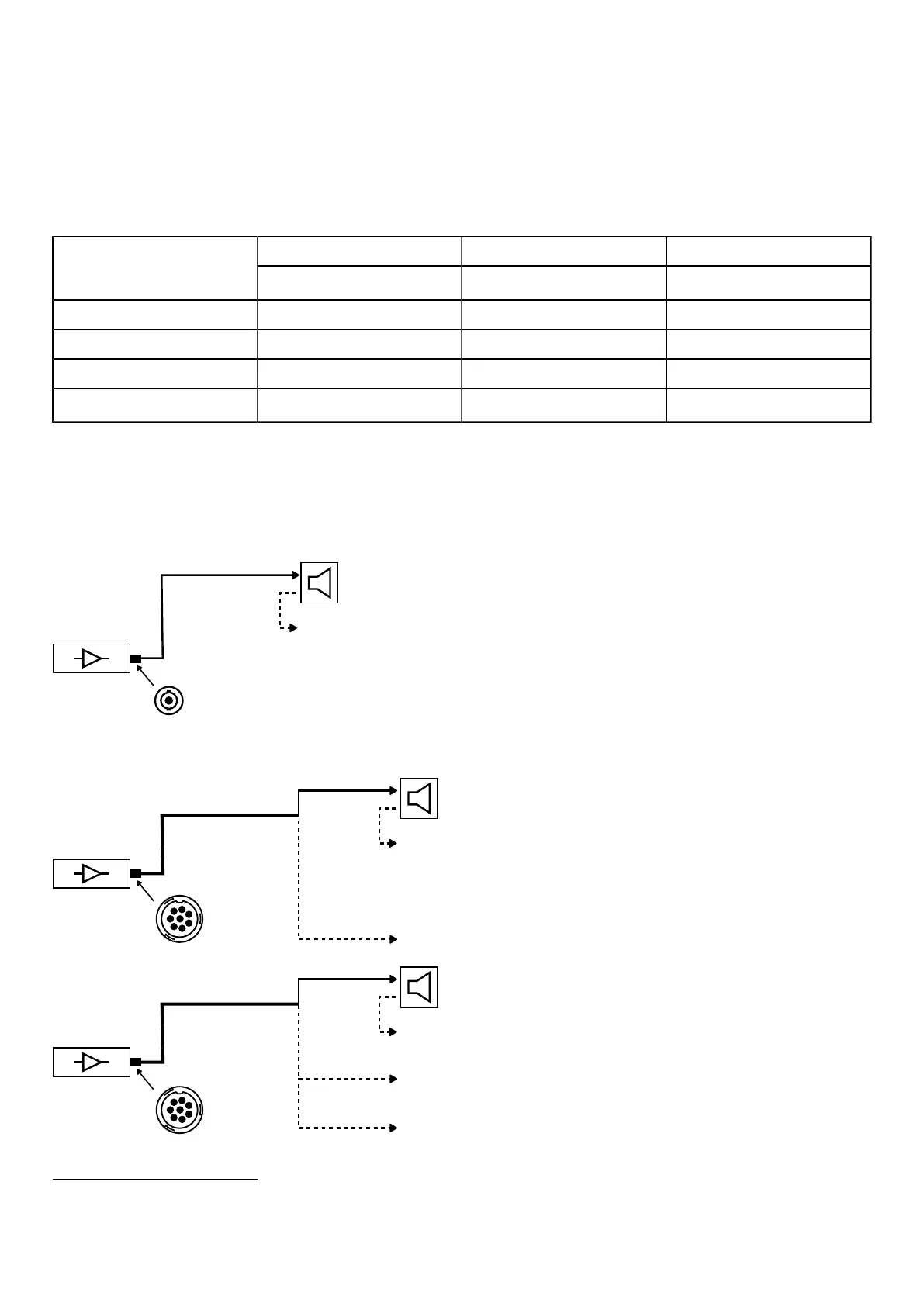
Cabling schemes for K3 / Kara II
Refer to the cabling schemes to connect the enclosures to different types of output connectors.
Two-channel speakON output
SP
SP
1+/1-
2+/2-
Four-channel CA-COM output
DO
SP
DOFILL-LA8
2W CH(A)
2W CH(B)
DO
SP
DO3WFILL
2WAY
SUB2
SUB1
b
LA8 can drive up to two KS21 or KS21i per output, but no more than six per controller at high level.
*
For passive loudspeakers, the value corresponds to the number of enclosures in parallel on the output. For active
loudspeakers, the value corresponds to the number of sections in parallel on the output.
K3 owner's manual (EN) version 1.0 99

Table of Contents

Related product manuals