EasyManua.ls Logo

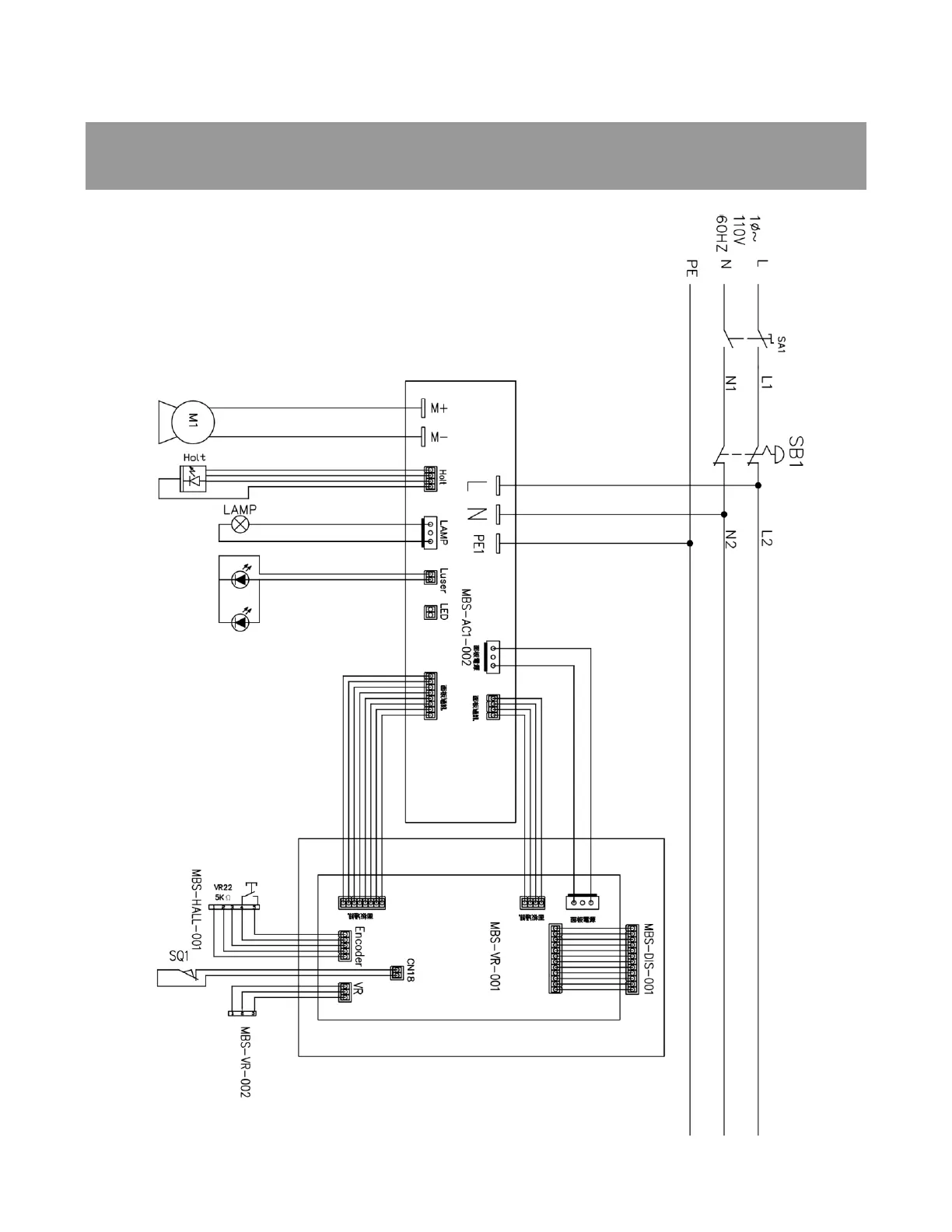
Laguna Tools DS20 - Wiring Diagram

Laguna Tools DS20
54 pages
Print Icon
To Next Page IconTo Next Page
To Next Page IconTo Next Page
To Previous Page IconTo Previous Page
To Previous Page IconTo Previous Page
Loading...
DP18 115V wiring diagram
DP20 wiring diagram
42

Related product manuals