EasyManua.ls Logo

Lamtec F130I - Connecting Diagrams; F130 I Connection Diagram 230 V Device

Lamtec F130I
46 pages
Print Icon
To Next Page IconTo Next Page
To Next Page IconTo Next Page
To Previous Page IconTo Previous Page
To Previous Page IconTo Previous Page
Loading...
36
11 Appendix
11.2 Connecting Diagrams
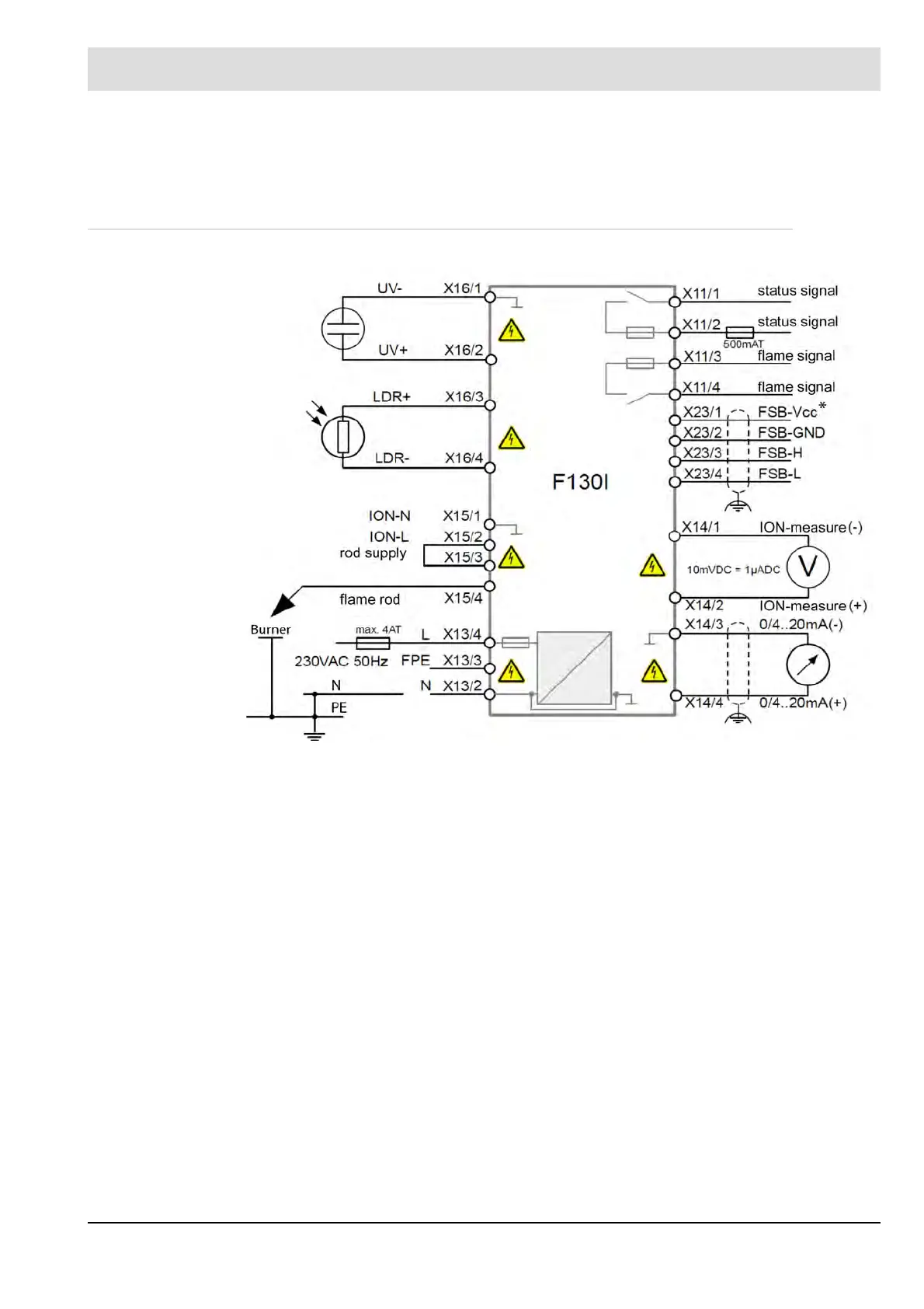
11.2.1 F130I connection diagram 230V device
Fig. 11-3 F130I connection diagram 230V device
* FSB currently no funktion

Related product manuals