EasyManua.ls Logo

Lexicon MPX 1 - REV 1 - Shift (M), Shift (S) and Shift (D); Volume (M), Volume (S) and Volume (D)

Lexicon MPX 1 - REV 1
127 pages
To Next Page IconTo Next Page
To Next Page IconTo Next Page
To Previous Page IconTo Previous Page
To Previous Page IconTo Previous Page
Loading...
Lexicon
7-4
MPX 1 User Guide
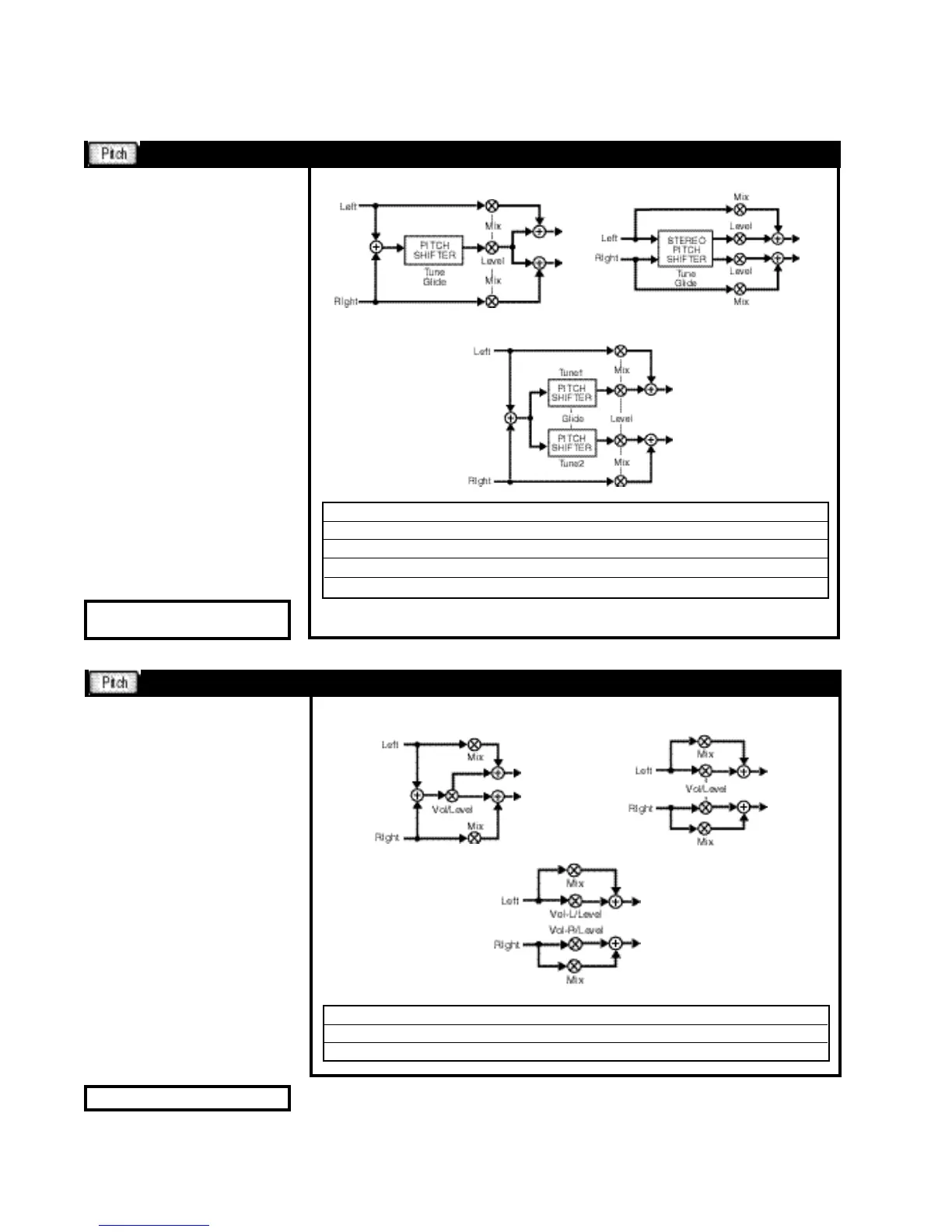
The pitch shift effects are de-
signed to provide both fine (1 cent
resolution) and coarse (semitone
resolution) pitch shift effects. Use
them to create harmonizations,
detuning, or special effects. The
Tune parameters can be glided
smoothly across their entire
range. Try controlling Tune with a
foot pedal or MIDI controller for
“whammy-bar” and pedal steel ef-
fects with guitars.
Shift (M) is a single-channel
pitch shifter.
Shift (S) is a stereo version of
Shift (M) with synchronized
crossfades.
Shift (D) provides mono input to
two independent pitch shifters
controlled by Tune1 and Tune 2.
The first shifter goes to the left
output, the second to the right out-
put.
Mix 0-100% Dry/Wet ratio
Level Off, -89 to +6dB Amount of effect in the processed signal
Tune -4800 to +1900 cents Pitch shift
(Optimize) 0-100 Adjusts the amount of delay in the pitch shifter
Glide Off, On Coarse, fine resolution of pitch shift
Shift (M) Shift (S)
Shift (D)
Shift (M), Shift (S) and Shift (D)
* = Interpolated; ( ) = Option of preceding parameter
The Volume effects can be
placed in front of, or behind, other
effect blocks to provide smooth
level control through a 95dB
range. You can use them for dy-
namic input or output control, EQ
input trim (helpful when adding
large amounts of gain with an EQ
effect), stereo to mono mixer,
cross fade controls, volume pedal,
etc.
In Volume(M) the left and right
inputs are mixed together, then
sent to both outputs through a vol-
ume control.
In Volume (S) the left and right
inputs are sent through a ganged
pair of volume controls.
In Volume (D) the left and right
inputs are sent through indepen-
dent volume controls.
Mix 0-100% Dry/Wet ratio
Level* Off, -89 to +6dB Amount of effect in the processed signal
Vol* 0-100% Amount of effect in the processed signal
Volume (M)
Volume (S)
Volume (D)
Volume (M), Volume (S) and Volume (D)
These effects use more processing resources than the detuners. Shift (S) and Shift (D) are
among the largest effects in the MPX 1.
ClassicDetune 5th Plate
Wet Triads
ChrsRvbMorph Volume Pedal

Table of Contents

Related product manuals