EasyManua.ls Logo

Liebert 7200 Series - Page 86

Liebert 7200 Series
94 pages
Print Icon
To Next Page IconTo Next Page
To Next Page IconTo Next Page
To Previous Page IconTo Previous Page
To Previous Page IconTo Previous Page
Loading...
Chapter 7 - 1+1 Parallel System 7200 Series UPS User Manual
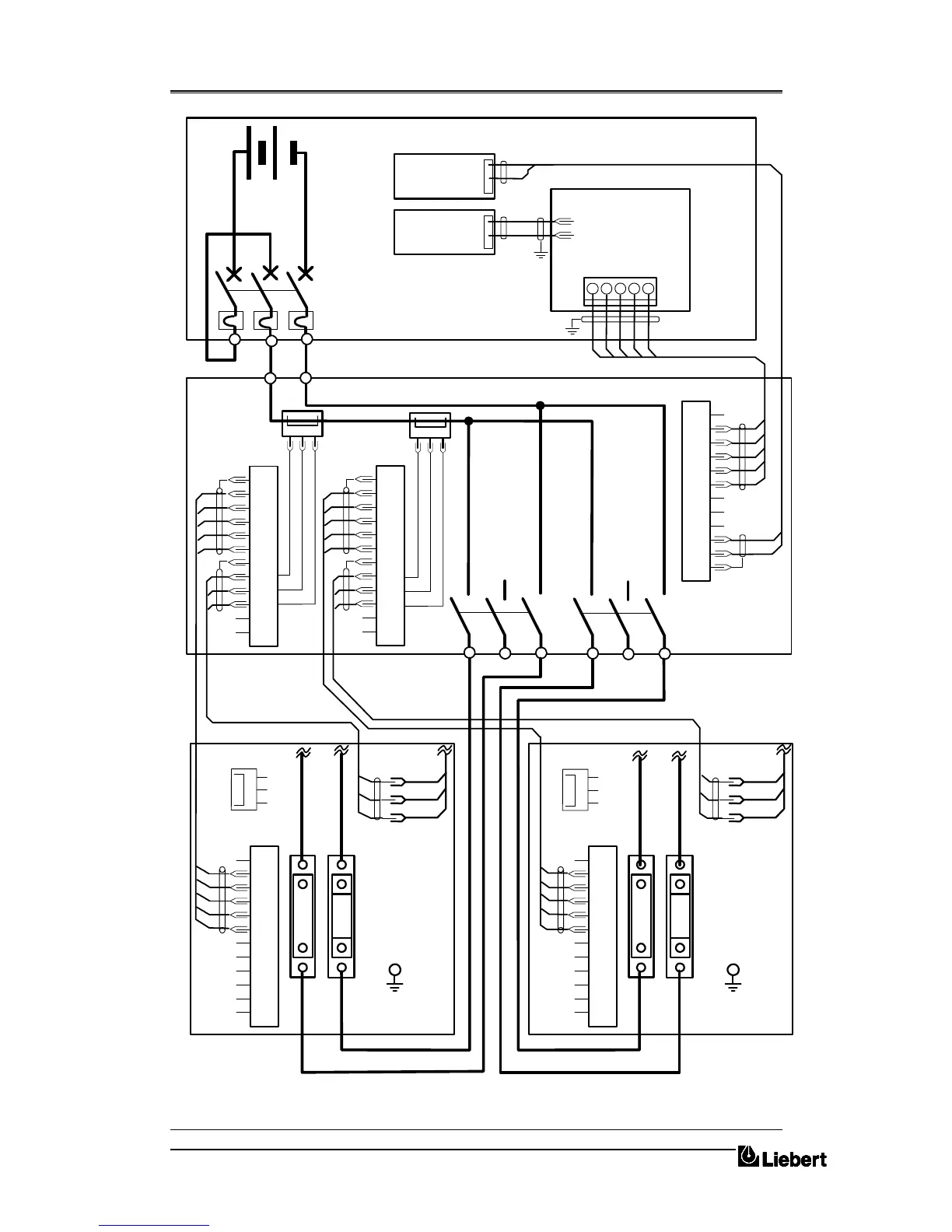
Installation procedure (Common battery) Single Module and 1+1 Parallel System
document in response to "powersure ups"
Page 7-10
Issue 6
(03/98)
Battery
Circuit
Breaker
Battery C.B.
Controller
Board
( 4520067T )
Temperature
sensor 2
UPS 2
Cabinet
UPS 1
Cabinet
T11-removed
T
11-r
em
o
ved
Battery Cabinet or Circuit Breaker Box
Auxiliary Battery Distribution Box
Temperature
sensor 1
1
2
3
4
5
6
7
8
9
10
11
12
X10
X 2
1 2 3 4 5
X1
+ -
+ -
1
2
3
- m +
- +
F13
1
2
3
4
5
6
7
8
9
10
11
12
X3
- +
F13
+ m -
1
2
3
4
5
6
7
8
9
10
11
12
X3
A
B
C1
C2
D1
D2
D2
C2
A
B
X3
X1
T1
T2
Q1
Q2
1
2
3
4
5
6
7
8
9
10
11
12
1
2
3
70
69
68
70
69
68
+ -
- m +
1
2
3
4
5
6
7
8
9
10
11
12
X2
+
m
-
C2
Figure 7-F .Connections of Auxiliary Battery Distribution Box

Table of Contents

Related product manuals