EasyManua.ls Logo

Linde E20 - Wiring Diagram Basic Equipment

Linde E20
222 pages
Print Icon
To Next Page IconTo Next Page
To Next Page IconTo Next Page
To Previous Page IconTo Previous Page
To Previous Page IconTo Previous Page
Loading...
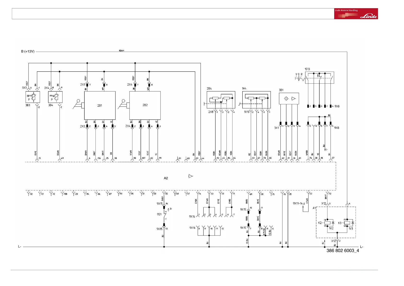
7 Circuit diagrams
Wiring diagram basic equipment page 4
Wiring diagram basic equipment page 4
208 Operating Instructions 386 807 1001 EN 03/2006

Table of Contents

Other manuals for Linde E20

Related product manuals