EasyManua.ls Logo

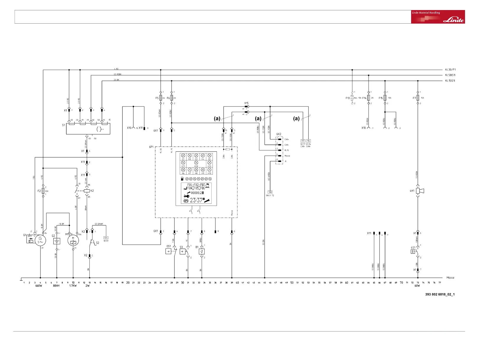
Linde H25D - Wiring Diagram; Basic Equipment for Diesel with Pump Injection Engine - Sheet 1

Linde H25D
268 pages
Print Icon
To Next Page IconTo Next Page
To Next Page IconTo Next Page
To Previous Page IconTo Previous Page
To Previous Page IconTo Previous Page
Loading...
7 Circuit diagrams
Wiring diagram
Wiring diagram
Basic equipment for diesel with pump injection engine - sheet 1
230 Operating Instructions 393 807 1001 EN 08/2008

Table of Contents

Related product manuals