EasyManua.ls Logo

Linde H25D - Special Equipment Sheet 6 − Particulate Filter, Diesel Filter Water Trap Warning

Linde H25D
268 pages
Print Icon
To Next Page IconTo Next Page
To Next Page IconTo Next Page
To Previous Page IconTo Previous Page
To Previous Page IconTo Previous Page
Loading...
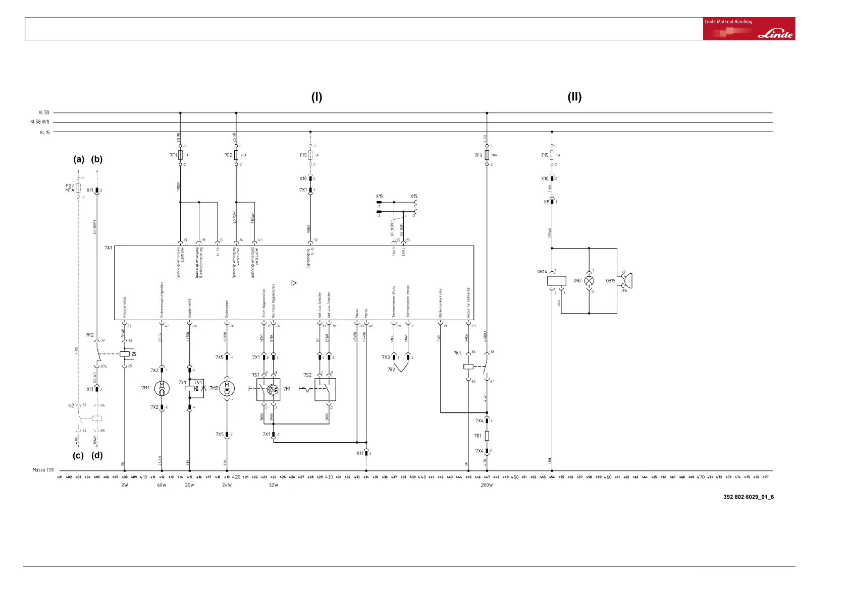
7 Circuit diagrams
Wiring diagram
Special equipment sheet 6 Particulate filter, diesel filter water trap warning
246 Operating Instructions 393 807 1001 EN 08/2008

Table of Contents

Related product manuals