EasyManua.ls Logo

Linde H25D - Special Equipment Sheet 5 − Lift Mast Positioning, Hydraulic Oil Microfilter Indicator, Vehicle Deactivation, Forklift Data Management

Linde H25D
268 pages
Print Icon
To Next Page IconTo Next Page
To Next Page IconTo Next Page
To Previous Page IconTo Previous Page
To Previous Page IconTo Previous Page
Loading...
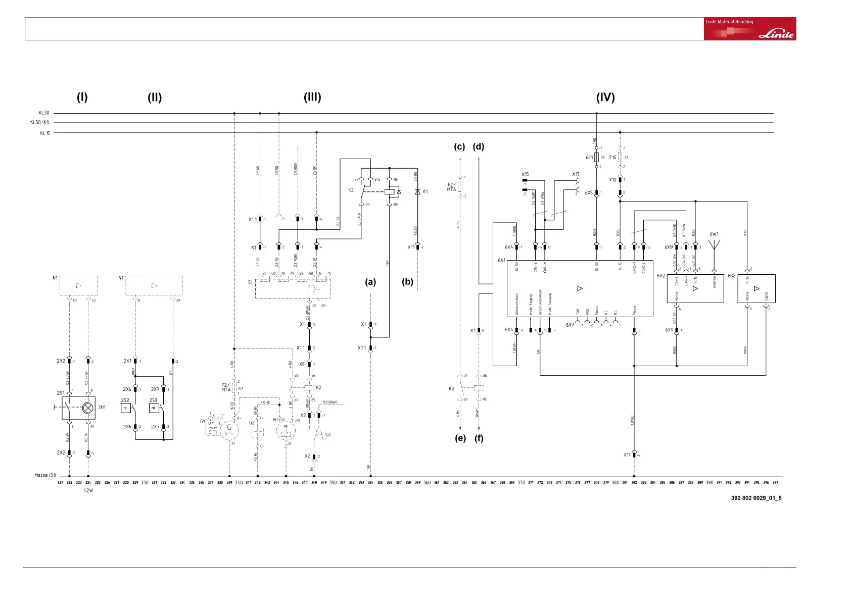
7 Circuit diagrams
Wiring diagram
Special equipment sheet 5 Lift mast positioning, hydraulic oil microfilter indicator, vehicle deactivation, Forklift Data Management
244 Operating Instructions 393 807 1001 EN 08/2008

Table of Contents

Related product manuals