EasyManua.ls Logo

Lutron Electronics DW-6195 - 1Φ3 W (One Phase by Three Wires) Measurement

Lutron Electronics DW-6195
81 pages
Print Icon
To Next Page IconTo Next Page
To Next Page IconTo Next Page
To Previous Page IconTo Previous Page
To Previous Page IconTo Previous Page
Loading...
screen 2 ( 5-1 )
V 1 : 0.0 V
A 1 : 0.00 A
P1 :
- 0.000KW P F 1 : - 0.00
S1: 0.000KVA P F H : 0.00
Q1: - 0.000KVAR Φ 1 : : - 0.0°
WH 0.000KWH
SH 0.000KVAH
QH 0.000KVARH F R E Q : 50.1 Hz
CP1201
20A
2W
SEC: 2 CT: 1 PT: 1
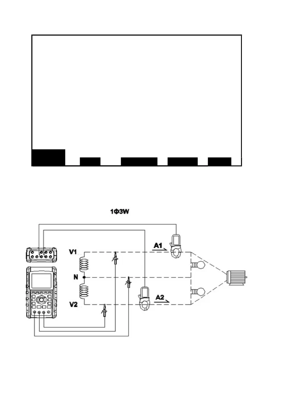
5-2 1Φ3W (one phase by three wires) measurement
A : Diagram
screen1 ( 5-2 )
47