EasyManua.ls Logo

Macurco CD-6B - Page 79

Macurco CD-6B
130 pages
Print Icon
To Next Page IconTo Next Page
To Next Page IconTo Next Page
To Previous Page IconTo Previous Page
To Previous Page IconTo Previous Page
Loading...
Manual del detector Macurco CD-6B (Rev. 1.0) ES-LA
REV.: 1.0 [34-2900-0510-2 ] 37 | Página
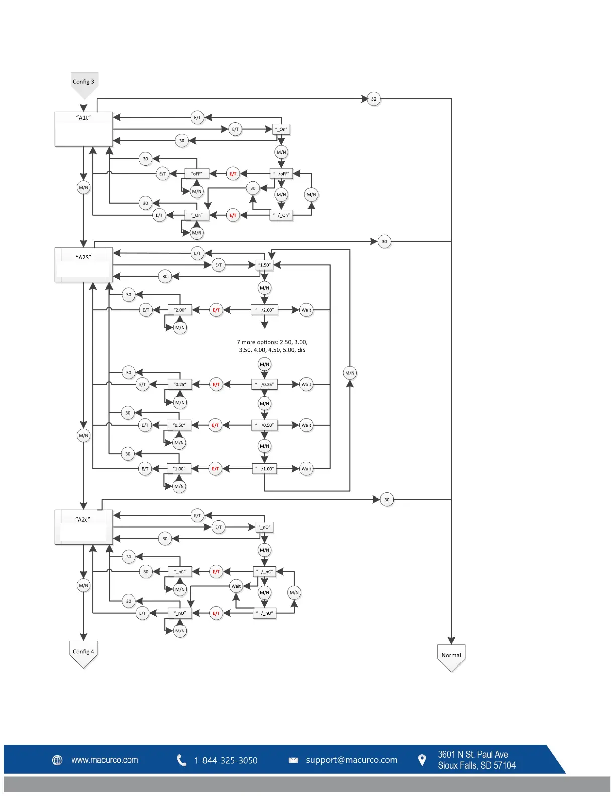
Vaya al ajuste actual ON, en
este ejemplo
Vaya al ajuste actual nO, en
este ejemplo
Vaya al ajuste actual
0.50, en este ejemplo
Promedio ponderado
en el tiempo de la
alarma 1
Ajuste del relé
de alarma 2
Configuración del
relé de alarma 2

Table of Contents

Related product manuals