EasyManua.ls Logo

Macurco CD-6B - Page 80

Macurco CD-6B
130 pages
Print Icon
To Next Page IconTo Next Page
To Next Page IconTo Next Page
To Previous Page IconTo Previous Page
To Previous Page IconTo Previous Page
Loading...
Manual del detector Macurco CD-6B (Rev. 1.0) ES-LA
REV.: 1.0 [34-2900-0510-2 ] 38 | Página
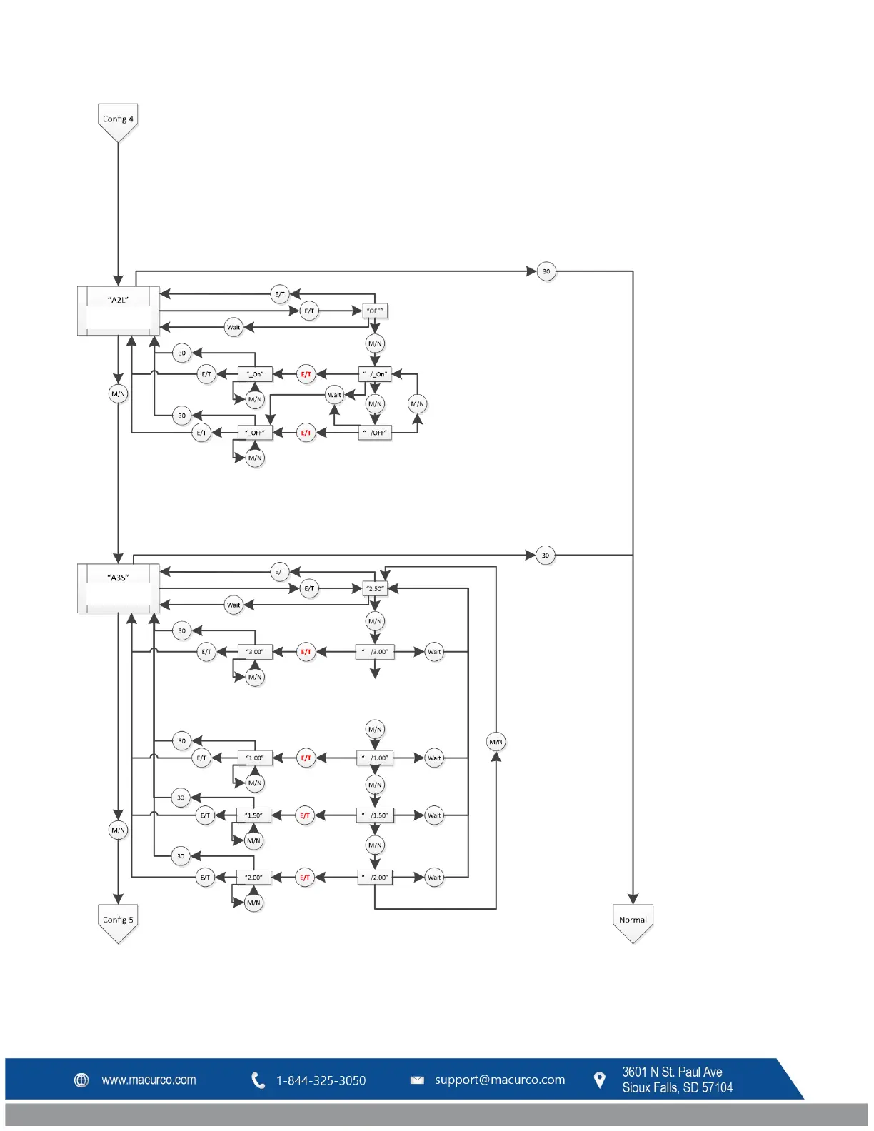
Enclavamiento del
relé de alarma 2
Ajuste del relé de
alarma 2
Vaya al ajuste actual OFF, en este
ejemplo
7 opciones más: 2.50, 3.00,
3.50, 4.00,
4.50, 5.00, diS

Table of Contents

Related product manuals