EasyManua.ls Logo

Maggi BIG 800 - Page 53

Maggi BIG 800
185 pages
Print Icon
To Next Page IconTo Next Page
To Next Page IconTo Next Page
To Previous Page IconTo Previous Page
To Previous Page IconTo Previous Page
Loading...
52
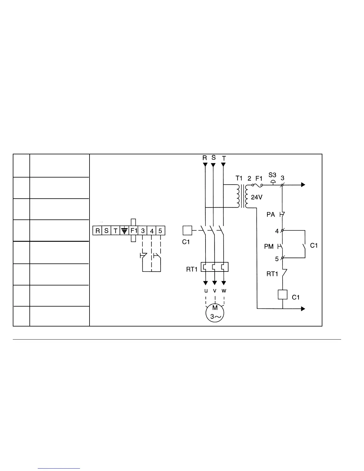
5-3 MOTEUR TRIPHASÉ - BOÎTÉ PROTÈGE-MOTEUR
S3
PA
PM
C1
RT1
T1
F1
M
Boîte protège moteur
LIGNE
Plaque à bornes
Bouton d'emergence
Bouton d'arrêt
Bouton de marche
Contacteur
Relais thermique
Transformateur
Fisible
Moteur

Table of Contents