EasyManua.ls Logo

Marantz NR1506 /U1B - Diagnostic Path Diagram

Marantz NR1506 /U1B
159 pages
Print Icon
To Next Page IconTo Next Page
To Next Page IconTo Next Page
To Previous Page IconTo Previous Page
To Previous Page IconTo Previous Page
Loading...
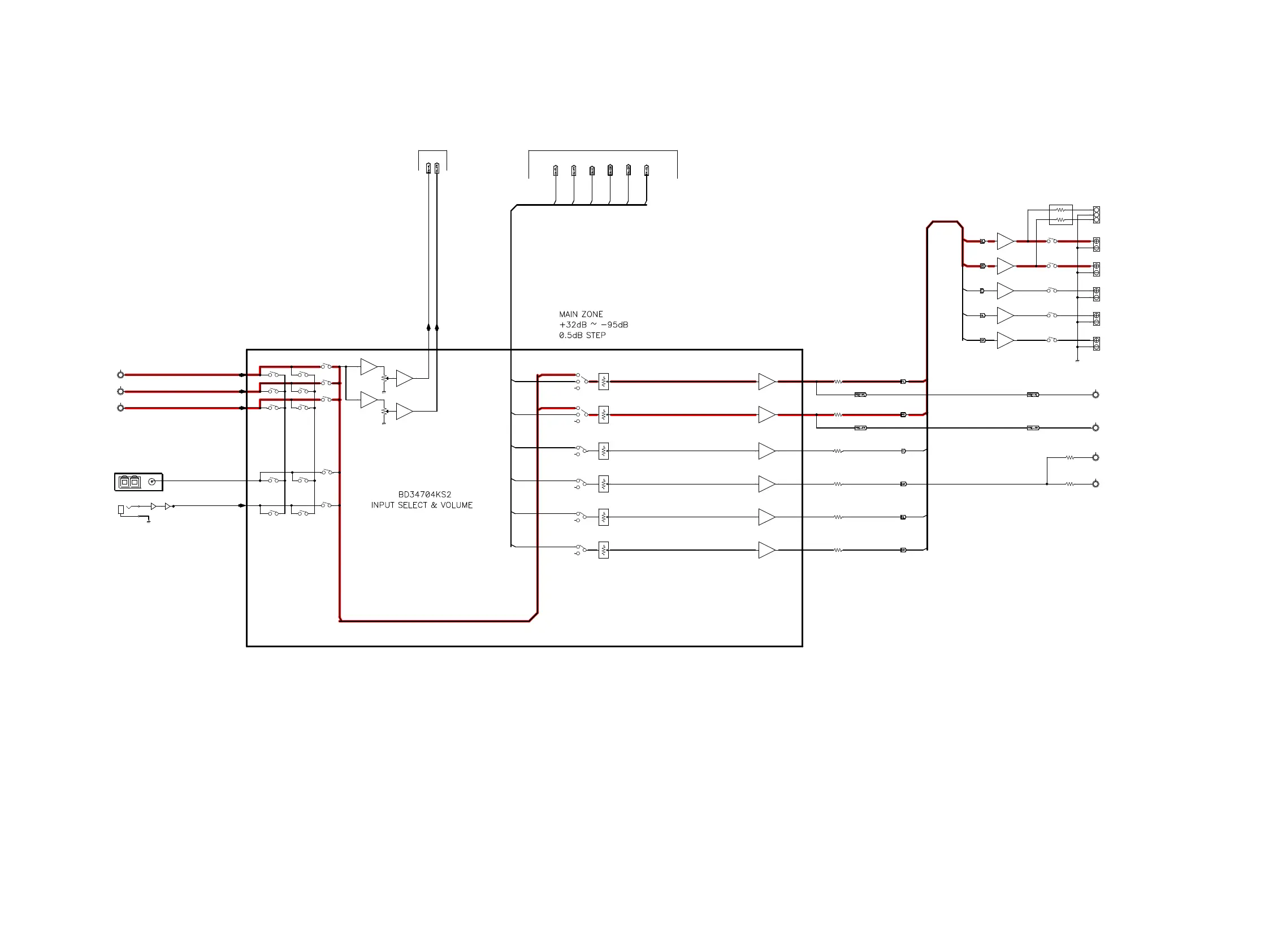
DIAGNOSTICPATHDIAGRAM
CD
SW2
SW1
FR
FL
SR
SL
C
FR
FL
DVD
ADINL
FM/AM
DSP_SR
DSP_SL
DSP_C
ANA_FR
DSP_FL
ANA_FL
ATT
H/P-R
ANALOG
INPUT
ADINR
DSP_SW
DSP_FR
SR
SL
C
FR
FL
H/P-L
TUNER
SAT_CBL
MIC(Mini Jack)
TO DIGITAL AUDIO BLOCK
TO DIGITAL AUDIO BLOCK
2.2ch PREOUT
SPK OUT
HEADPHONE OUT
ANALOG AUDIO DIAGRAMfig.01
26

Related product manuals