EasyManua.ls Logo

Marantz NR1506 /U1B - Page 29

Marantz NR1506 /U1B
159 pages
Print Icon
To Next Page IconTo Next Page
To Next Page IconTo Next Page
To Previous Page IconTo Previous Page
To Previous Page IconTo Previous Page
Loading...
C1
IN2
IN1
IN3
O1
RXMCLK
RXFS
RXI2S2
RXI2S0
IN0
64P PIN
64FSDIR1
DATADIR1
SLRCK
DAC_64FS
DAC_FS
DACDATAC
DACZEROMUTE
FRONT HDMI
HDMI3
HDMI1
HDMI4
IN3
TMDS
IN0
TMDS
TMDS
TMDS
TMDS
OUT1
DM920_SPDIF
DIRRXSPDIF
DIRALRCKI
DIRAMCKI
TMDS
TMDS
TMDS
OUT0
OUT1
OUT0
HDMI2
HDMI5
IN2
IN1
TMDS
HDMI2.0 RX
Matix SW
MN864788A
RX64FS
DIRADATAI
DIRABCKI
RXI2S1
TMDS
HDMI2.0
Matix SW
MN864788
TMDS
TMDS
ARCSPDIF
SDRAM
GND
DATA-
VBUS
DATA+
64P PIN
RXI2S3_SPDIF
FSDIR1
SBCK
256FSDIR1
MCLK1
DACDATAF
DAC_256FS
DACDATAS
WiFi/BT ANT
iPod Auth. MFI337S3959
NET/USB_MCK
NET/USB_LRCK
NET/USB_DATA/FR
IND
DATAS
DATAF
DSP1OUTMCK
DSP1OUT64FS
DSP1INCSW
DSP1INF
DSP1INFS
DSP1INMCK
HDMI OUT1
USB FRONT
RJ-45
NET/USB_BCK
TO ANALOG AUDIO BLOCK
ADV7623
HDMI TRANSCEIVER
DATAC
DSP1OUTFS
DSP1INS
DSP1INSB
DSP1IN64FS
DIGITAL IN
HDMI IN
CY920 MODULE
ADV8195
TMDS
BUFFER
5M80ZT100C5N
AUDIO PLD
MAIN ZONE DAC
PCM1690
TO ANALOG AUDIO BLOCK
NET/USB_DATAF/FL
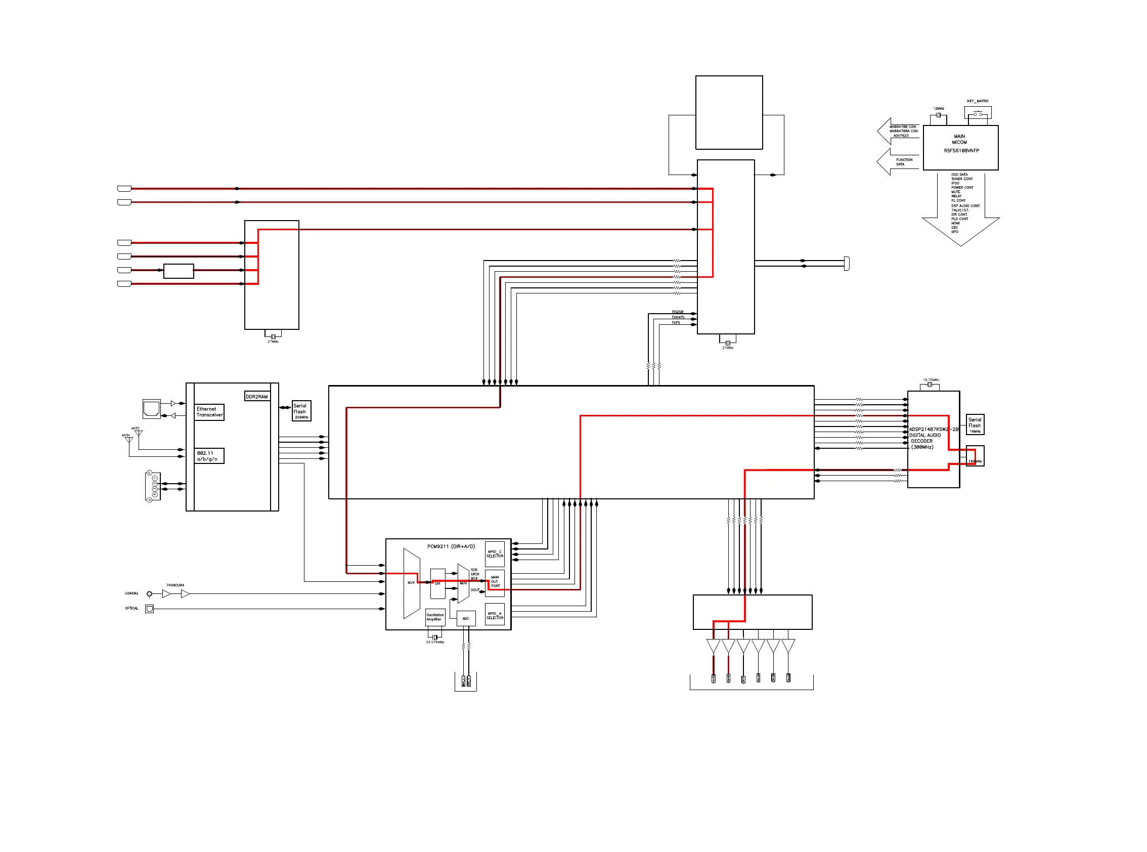
NR1506 DIGITAL AUDIO DIAGRAMfig.03a
29

Related product manuals